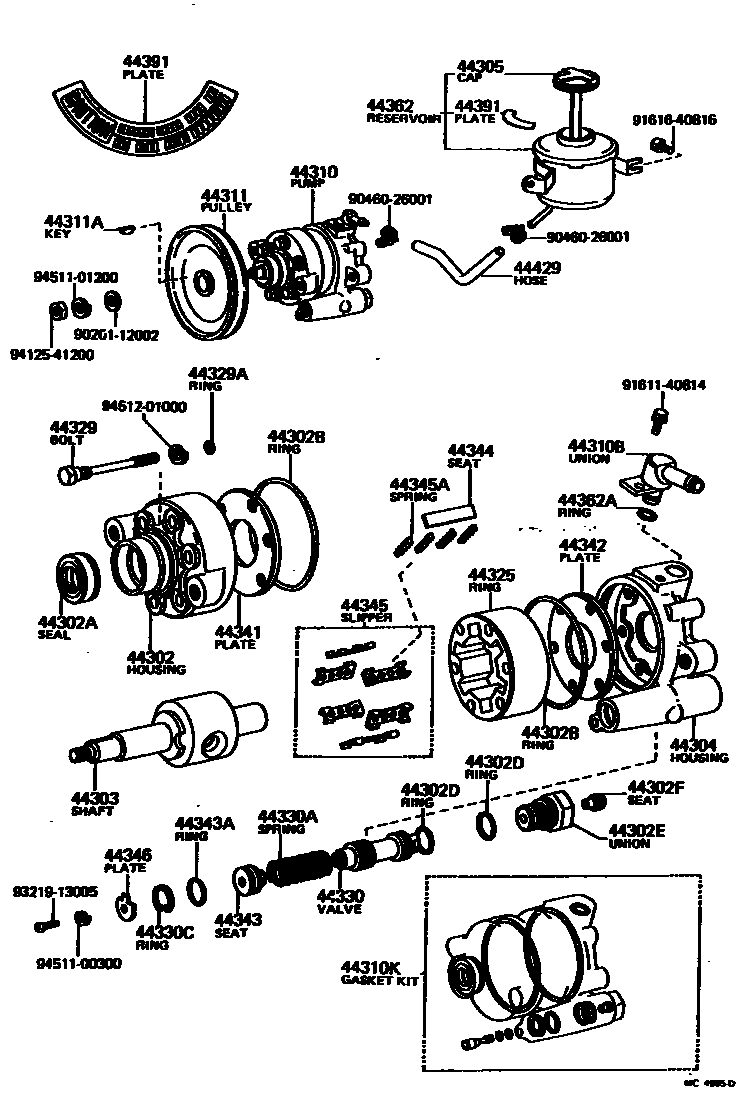
VANE PUMP & RESERVOIR (POWER STEERING)

44302HOUSING SUB-ASSY, VANE PUMP, FRONT
44302ASEAL, OIL, NO.1(FOR VANE PUMP HOUSING)
44302BRING, O, NO.1(FOR VANE PUMP HOUSING)
44302DRING, O, NO.3(FOR VANE PUMP HOUSING)
sub96711-19014
44302EUNION(FOR PUMP HOUSING)
44302FSEAT, UNION(FOR VANE PUMP HOUSING)
44303SHAFT SUB-ASSY, W/ROTOR
L=39.9750-39.9775
L=39.9725-39.9750
44304HOUSING SUB-ASSY, VANE PUMP, REAR
44305CAP SUB-ASSY, VANE PUMP OIL RESERVOIR
sub44305-22040
44310PUMP ASSY, VANE
44310BUNION(FOR VANE PUMP)
44310KGASKET KIT, POWER STEERING PUMP
44311PULLEY, VANE PUMP
44311AKEY, VANE PUMP PULLEY
44325RING, FIXED(FOR VANE PUMP)
MARK 1,L=39.9950-39.9975
MARK 2,L=39.9975-40.000
44329BOLT, VANE PUMP FRONT HOUSING & REAR HOUSING SET
44329ARING, O(FOR VANE PUMP HOUSING SET BOLT)
sub96711-19007
44330VALVE ASSY, FLOW CONTROL
MARK=A
MARK=B
MARK=C
MARK=D
MARK=E
MARK=F
44330ASPRING, COMPRESSION(FOR FLOW CONTROL VALVE)
44330CRING, SNAP(FOR FLOW CONTROL VALVE)
44341PLATE, VANE PUMP SIDE, FRONT
L=39.942-39.937
44342PLATE, VANE PUMP SIDE, REAR
44343SEAT, FLOW CONTROL SPRING
44343ARING, O(FOR FLOW CONTROL SPRING SEAT)
sub96711-19014
44344SEAT, SPRING(FOR VANE PUMP)
44345SLIPPER, VANE PUMP
NO MARK,L=39.942-39.937
NO MARK,L=39.937-39.932
44345ASPRING, COMPRESSION(FOR VANE PUMP SLIPPER)
44346PLATE, SNAP RING LOCK
44362RESERVOIR, OIL(FOR VANE PUMP)
44362ARING, O(FOR VANE PUMP OIL RESERVOIR)
sub96711-19013
44391PLATE, POWER STEERING OIL RESERVOIR CAUTION
sub44392-35010
44429HOSE, RESERVOIR TO OIL PUMP
9020112002
main90201-12002
9046026001
main90460-26001
9161140814
main91611-40814
9161640816
main91616-40816
9321913005
main93219-13005
9412541200
main94125-41200
9451100300
main94511-00300
9451101200
main94511-01200
9451201000
main94512-01000
41 parts on this diagram · 1 diagram in section