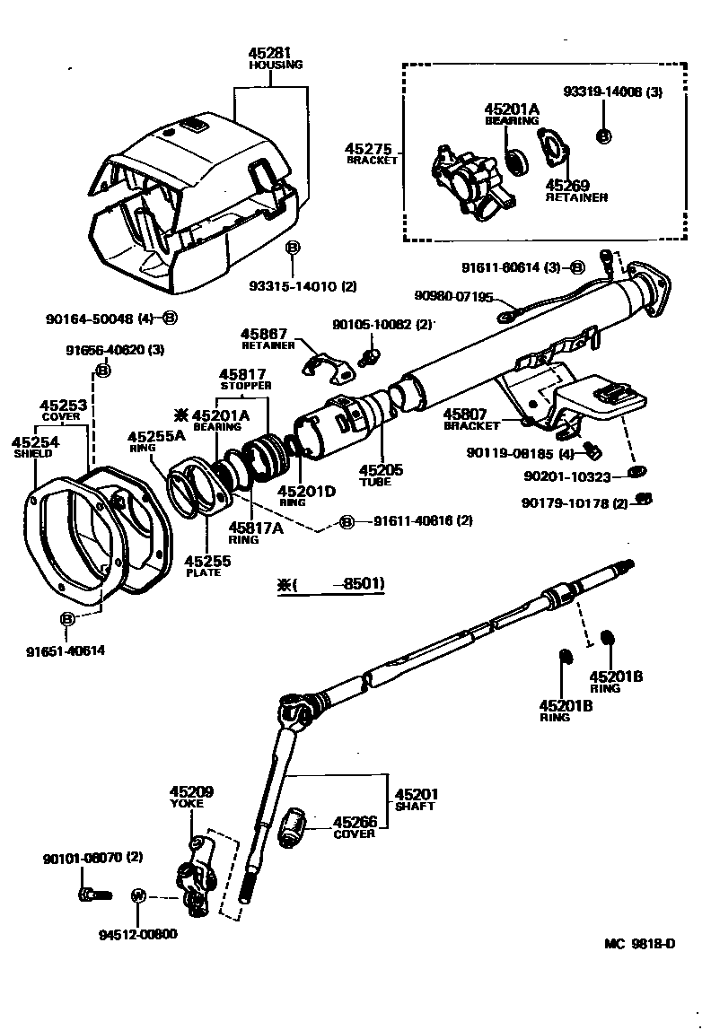
STEERING COLUMN & SHAFT

45201ABEARING(FOR STEERING MAIN SHAFT)
UPR,W/TILT STRG
UPR
CTR,W/TILT STRG
LWR
45201BRING, SHAFT SNAP(FOR STEERING MAIN SHAFT)
T=1.20,T=1.2
T=1.35-1.45,T=1.4
45201DRING(FOR STEERING MAIN SHAFT)
45205TUBE SUB-ASSY, STEERING COLUMN
W/TILT STRG
45209YOKE SUB-ASSY, STEERING SLIDING
W/PS
45254SHIELD, STEERING COLUMN HOLE
45255PLATE, STEERING COLUMN HOLE COVER
45255AGROMMET OR RING, O(FOR STEERING COLUMN CLAMP)
45266COVER, STEERING INTERMEDIATE SHAFT DUST
45281HOUSING, STEERING COLUMN
45807BRACKET SUB-ASSY, STEERING COLUMN UPPER SUPPORT
W/TILT STRG
45817ARING, O(FOR STEERING SHAFT THRUST STOPPER)
45867RETAINER, STEERING MAIN SHAFT STOPPER
9010108070
main90101-08070
9010510082
main90105-10082
9011908185
main90119-08185
9016450048
main90164-50048
9017910178
main90179-10178
9020110323
main90201-10323
9098007195
main90980-07195
9161140816
main91611-40816
9161160614
main91611-60614
9165140614
main91651-40614
9165640620
main91656-40620
9331514010
main93315-14010
9331914008
main93319-14008
9451200800
main94512-00800
32 parts on this diagram · 6 diagrams in section