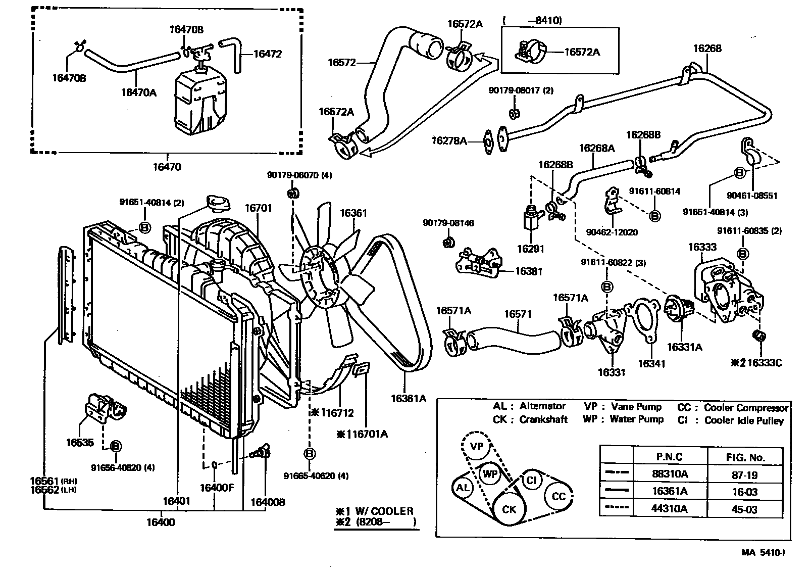
RADIATOR & WATER OUTLET

1603
16268PIPE, WATER BY-PASS, NO.1
16268AHOSE(FOR WATER BY-PASS PIPE)
16268BCLAMP OR CLIP, HOSE(FOR WATER BY-PASS PIPE)
16278AGASKET, WATER BY-PASS
sub16347-42010
16291JOINT, WATER HOSE
16331ATHERMOSTAT
16333CPLUG, W/HEAD TAPER SCREW
16361FAN
7 BLADES
7 BLADES
16361ABELT, V(FOR FAN & ALTERNATOR)
L=880
16381BAR, FAN BELT ADJUSTING
16400BPLUG, RADIATOR DRAIN COCK
16400FPACKING(FOR RADIATOR DRAIN COCK)
16401CAP SUB-ASSY, RADIATOR
16470TANK ASSY, RADIATOR RESERVE
16470AHOSE OR PIPE(FOR RADIATOR RESERVE TANK)
L=600(*H,L=120)
16470BCLAMP OR CLIP(FOR RADIATOR RESERVE TANK HOSE)
16535SUPPORT, RADIATOR, LOWER
16561SEAL, RADIATOR TO SUPPORT, NO.1
16562SEAL, RADIATOR TO SUPPORT, NO.2
16571HOSE, RADIATOR, INLET
16571ACLAMP OR CLIP, HOSE(FOR RADIATOR INLET)
sub90467-37003
16701ACLIP(FOR FAN SHROUD)
W/COOLER
16712SHROUD, FAN, NO.2
W/COOLER
W/COOLER
44310ABELT, V(FOR VANE PUMP)
4503
8719
88310ABELT, V (COOLER COMPRESSOR TO CRANKSHAFT PULLEY), NO.1
L=890
9017906070
main90179-06070
9017908017
main90179-08017
9017908146
main90179-08146
9046108551
main90461-08551
9046212020
main90462-12020
9161160814
main91611-60814
9161160822
main91611-60822
9161160835
main91611-60835
9165140814
main91651-40814
9165640820
main91656-40820
9166540620
main91665-40620
47 parts on this diagram · 4 diagrams in section