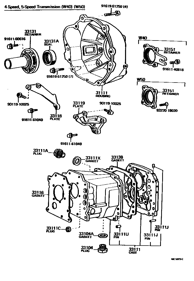
31111HOUSING, CLUTCH
main31111-20110iMA46,RA42..(3FC,5F)..(LT,SPR)197808-198008 main31111-22071iRA43..CP..5F..GT;MA46,RA42..(3FC,5F)..(LT,SPR)197901-198107 33104PLUG SUB-ASSY, DRAIN(MTM)
main90341-18057iRA43..CP..5F..GT;MA46,RA42..(3FC,5F)..(LT,SPR)197708-198107 33104AGASKET, DRAIN PLUG(MTM)
main12157-10010iRA43..CP..5F..GT;MA46,RA42..(3FC,5F)..(LT,SPR)197708-198107 33111CASE, MANUAL TRANSMISSION
main33101-20011iRA43..CP..5F..GT;MA46,RA42..(3FC,5F)..(LT,SPR)197901-198107 33111APLUG, MANUAL TRANSMISSION CASE
main90341-18002iRA43..CP..5F..GT;MA46,RA42..(3FC,5F)..(LT,SPR)197708-198107 33111CPLUG(FOR TRANSMISSION CASE)
main90331-20044iRA43..CP..5F..GT;MA46,RA42..(3FC,5F)..(LT,SPR)197708-198107 33111JPIN, STRAIGHT(FOR MANUAL TRANSMISSION CASE)
main90250-12195iRA43..CP..5F..GT;MA46,RA42..(3FC,5F)..(LT,SPR)197708-198107 OD=12,L=39
main90334-06017iRA43..CP..5F..GT;MA46,RA42..(3FC,5F)..(LT,SPR)197708-198107 OD=6,L=11
33111UPIN, RING(FOR MANUAL TRANSMISSION CASE)
main90253-13017iRA43..CP..5F..GT;MA46,RA42..(3FC,5F)..(LT,SPR)197708-198107 L=12,OD=13
33111XGASKET, TRANSMISSION CASE PLUG
main12157-10010iRA43..CP..5F..GT;MA46,RA42..(3FC,5F)..(LT,SPR)197708-198107 33116GASKET, MANUAL TRANSMISSION CASE
main33132-20040iRA43..CP..5F..GT;MA46,RA42..(3FC,5F)..(LT,SPR)197708-198107 33118PLATE, STIFFENER, RH(MTM)
main33118-22030iRA43..CP..5F..GT;MA46,RA42..(3FC,5F)..(LT,SPR)197708-198107 main33118-22040iRA43..CP..5F..GT;MA46,RA42..(3FC,5F)..(LT,SPR)197901-198107 33119PLATE, STIFFENER, LH(MTM)
main33119-22021iRA43..CP..5F..GT;MA46,RA42..(3FC,5F)..(LT,SPR)197808-198107 main33119-22030iRA43..CP..5F..GT;MA46,RA42..(3FC,5F)..(LT,SPR)197901-198107 33131RETAINER, BEARING, FRONT(MTM)
main33131-31010iMA46,RA42..(3FC,5F)..(LT,SPR)197708-198008 33131ASEAL, OIL(FOR TRANSMISSION FRONT BEARING RETAINER)
main90311-30115iRA43..CP..5F..GT;MA46,RA42..(3FC,5F)..(LT,SPR)197708-198107 33138GASKET, INTERMEDIATE PLATE
main33142-20020iRA43..CP..5F..GT;MA46,RA42..(3FC,5F)..(LT,SPR)197708-198107 main33142-31010iMA46,RA42..(3FC,5F)..(LT,SPR)197708-198008 33151RETAINER, OUTPUT SHAFT REAR BEARING(MTM)
main33151-20010iRA43..CP..5F..GT;MA46,RA42..(3FC,5F)..(LT,SPR)197708-198107 main33151-31010iMA46,RA42..(3FC,5F)..(LT,SPR)197708-198008