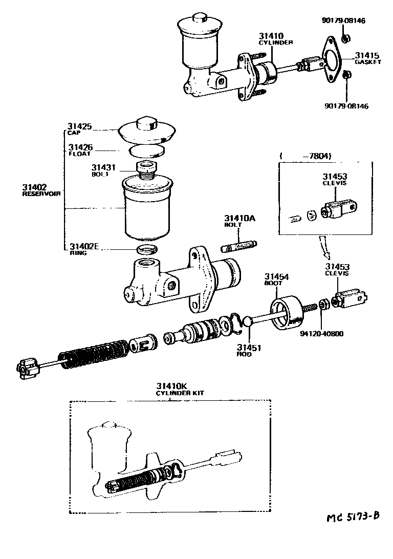
CLUTCH MASTER CYLINDER

31402RESERVOIR SUB-ASSY, CLUTCH MASTER CYLINDER
31402ERING(FOR CLUTCH MASTER CYLINDER RESERVOIR)
31410ABOLT(FOR CLUTCH MASTER CYLINDER SETTING)
S=9 & S=24.5
31415GASKET, CLUTCH MASTER CYLINDER
31425CAP, CLUTCH MASTER CYLINDER RESERVOIR FILLER
31426FLOAT, CLUTCH MASTER CYLINDER RESERVOIR
31431BOLT, CLUTCH MASTER CYLINDER RESERVOIR SET
31451ROD, CLUTCH MASTER CYLINDER PUSH
31454BOOT, CLUTCH MASTER CYLINDER
9017908146
main90179-08146
9412040800
main94120-40800
14 parts on this diagram · 1 diagram in section