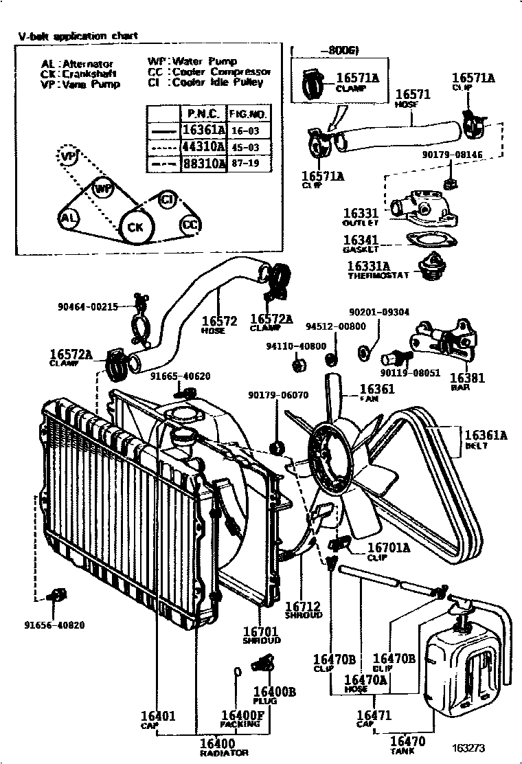
RADIATOR & WATER OUTLET

1603
16331OUTLET, WATER
16331ATHERMOSTAT
*WAX 82-95,*(F)
USA SPEC,*WAX 82-95,*(F)
CALIFORNIA SPEC,*WAX82-95,*(F)
16361FAN
7 BLADES,OD=380
7 BLADES,OD=430
16361ABELT, V(FOR FAN & ALTERNATOR)
DOUBLE V BELTS,L=905
DOUBLE V BELTS,L=905
L=870
L=880
L=880
16381BAR, FAN BELT ADJUSTING
16400BPLUG, RADIATOR DRAIN COCK
16400FPACKING(FOR RADIATOR DRAIN COCK)
sub96711-19007
16470TANK ASSY, RADIATOR RESERVE
16470AHOSE OR PIPE(FOR RADIATOR RESERVE TANK)
L=550
16470BCLAMP OR CLIP(FOR RADIATOR RESERVE TANK HOSE)
16471CAP SUB-ASSY, RESERVE TANK
16571ACLAMP OR CLIP, HOSE(FOR RADIATOR INLET)
RADIATOR SIDE,ID=43
RADIATOR SIDE,ID=45
16572ACLAMP OR CLIP, HOSE(FOR RADIATOR OUTLET NO.1)
RADIATOR SIDE,ID=45
RADIATOR SIDE,ID=46
ID=43
PUMP SIDE,ID=48
16701SHROUD SUB-ASSY, FAN
16701ACLIP(FOR FAN SHROUD)
W/COOLER
16712SHROUD, FAN, NO.2
W/COOLER
W/COOLER
W/COOLER
4503
8719
9011908051
main90119-08051
9017906070
main90179-06070
9017908146
main90179-08146
9020109304
main90201-09304
9046400215
main90464-00215
9165640820
main91656-40820
9166540620
main91665-40620
9411040800
main94110-40800
9451200800
main94512-00800
33 parts on this diagram · 5 diagrams in section