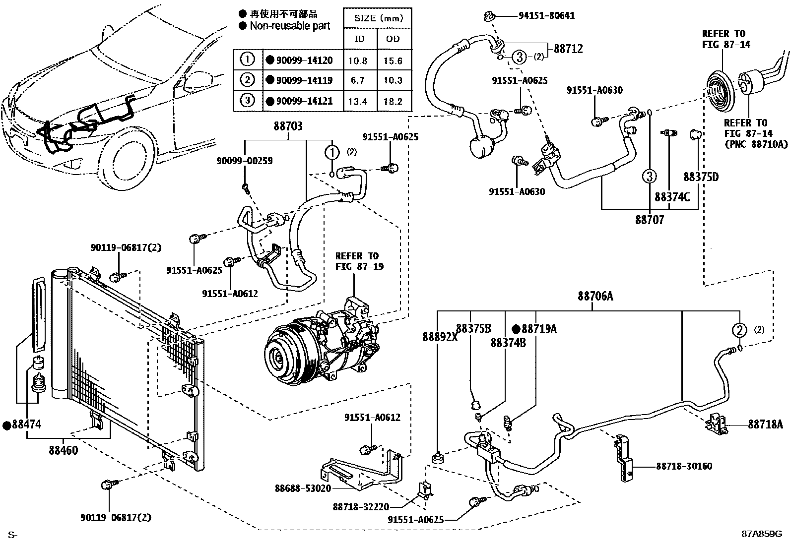
HEATING & AIR CONDITIONING - COOLER PIPING

8714
8719
88374BVALVE, SERVICE, NO.1
88374CVALVE, SERVICE, NO.2
88375BCAP, SERVICE VALVE, NO.1
88375DCAP, SERVICE VALVE, NO.2
88460CONDENSER ASSY, COOLER
88474DRYER, COOLER
88712HOSE, COOLER REFRIGERANT SUCTION, NO.1
88718ACLAMP, NO.1(FOR COOLER REFRIGERANT PIPE)
88892XCOVER, COOLER, NO.2
8868853020BRACKET, COOLER DIAPHRAGM
main88688-53020
8871830160PIPE, COOLER REFRIGERANT SUCTION, NO.2
main88718-30160
8871832220PIPE, COOLER REFRIGERANT SUCTION, NO.2
main88718-32220
9009900259
main90099-00259
9009914119
main90099-14119
9009914120
main90099-14120
9009914121
main90099-14121
9011906817
main90119-06817
91551A0612
main91551-A0612
91551A0625
main91551-A0625
91551A0630
main91551-A0630
9415180641
main94151-80641
27 parts on this diagram · 2 diagrams in section