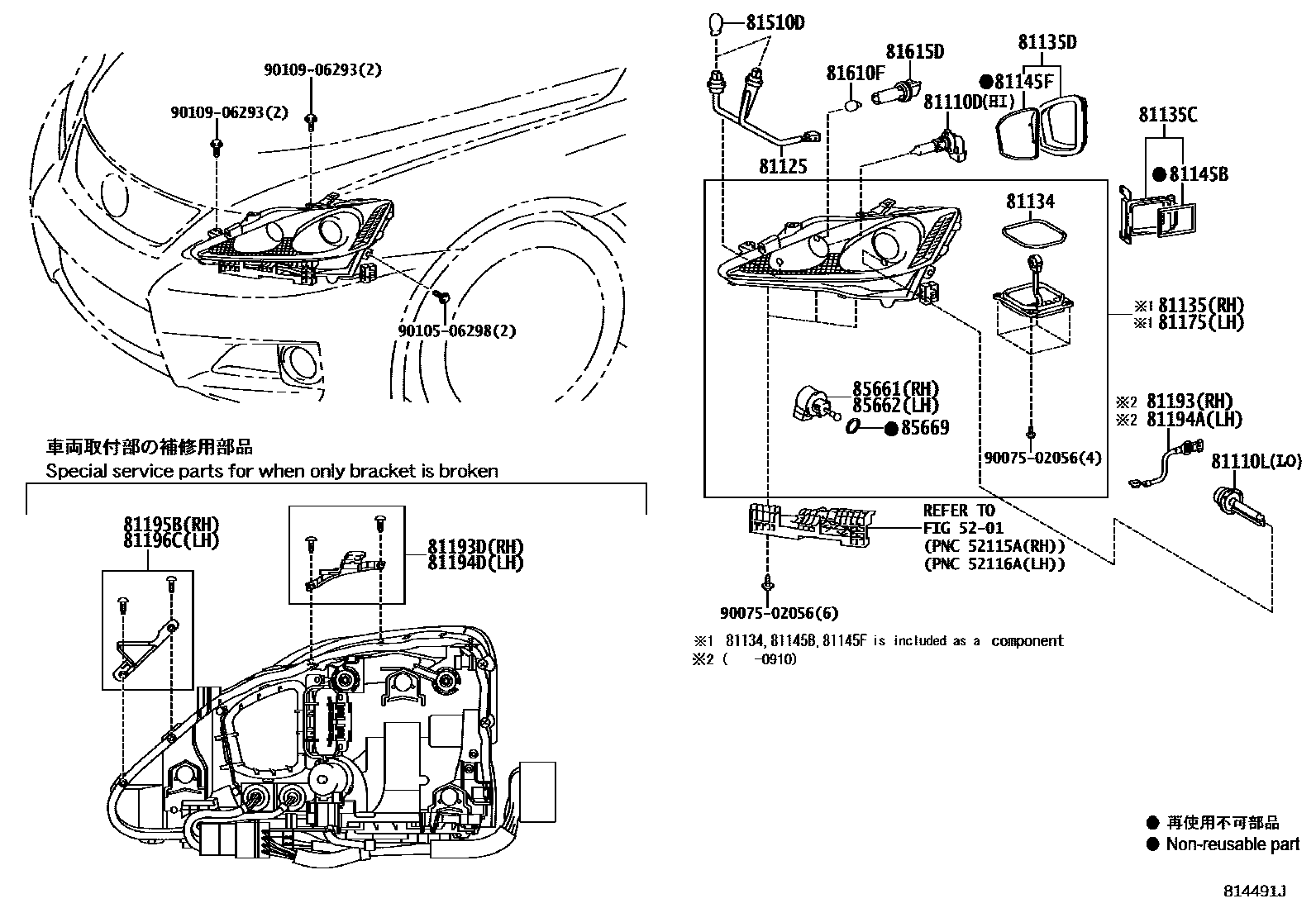
HEADLAMP

5201
81110DBULB(FOR HEADLAMP, NO.2)
12V65W(SAE),60W(ECE)
81110LBULB, DISCHARGE HEADLAMP
42V 35W
81134GASKET, HEADLAMP
81135UNIT ASSY, HEADLAMP, RH
81135CCOVER, HEADLAMP BACK, NO.1
81135DCOVER, HEADLAMP BACK, NO.2
RH
LH
81145BGASKET, HEADLAMP COVER, NO.1
81145FGASKET, HEADLAMP COVER, NO.2
81175UNIT ASSY, HEADLAMP, LH
81193RETAINER, HEADLAMP PROTECTOR, UPPER RH
81193DRETAINER, RH HEADLAMP PROTECTOR, UPPER LH
81194DRETAINER, LH HEADLAMP PROTECTOR, UPPER LH
81195BRETAINER, RH HEADLAMP PROTECTOR, LOWER RH
81196CRETAINER, LH HEADLAMP PROTECTOR, LOWER LH
81510DBULB (FOR FRONT TURN SIGNAL LAMP)
12V 21W,AMBER
81610FBULB(FOR CLEARANCE LAMP)
12V 5W
81615DSOCKET, CLEARANCE LAMP
85661MOTOR, HEADLAMP LEVELING, RH
85662MOTOR, HEADLAMP LEVELING, LH
85669PACKING, HEADLAMP LEVELING MOTOR BASE
9007502056
main90075-02056
9010506298
main90105-06298
9010906293
main90109-06293
26 parts on this diagram · 2 diagrams in section