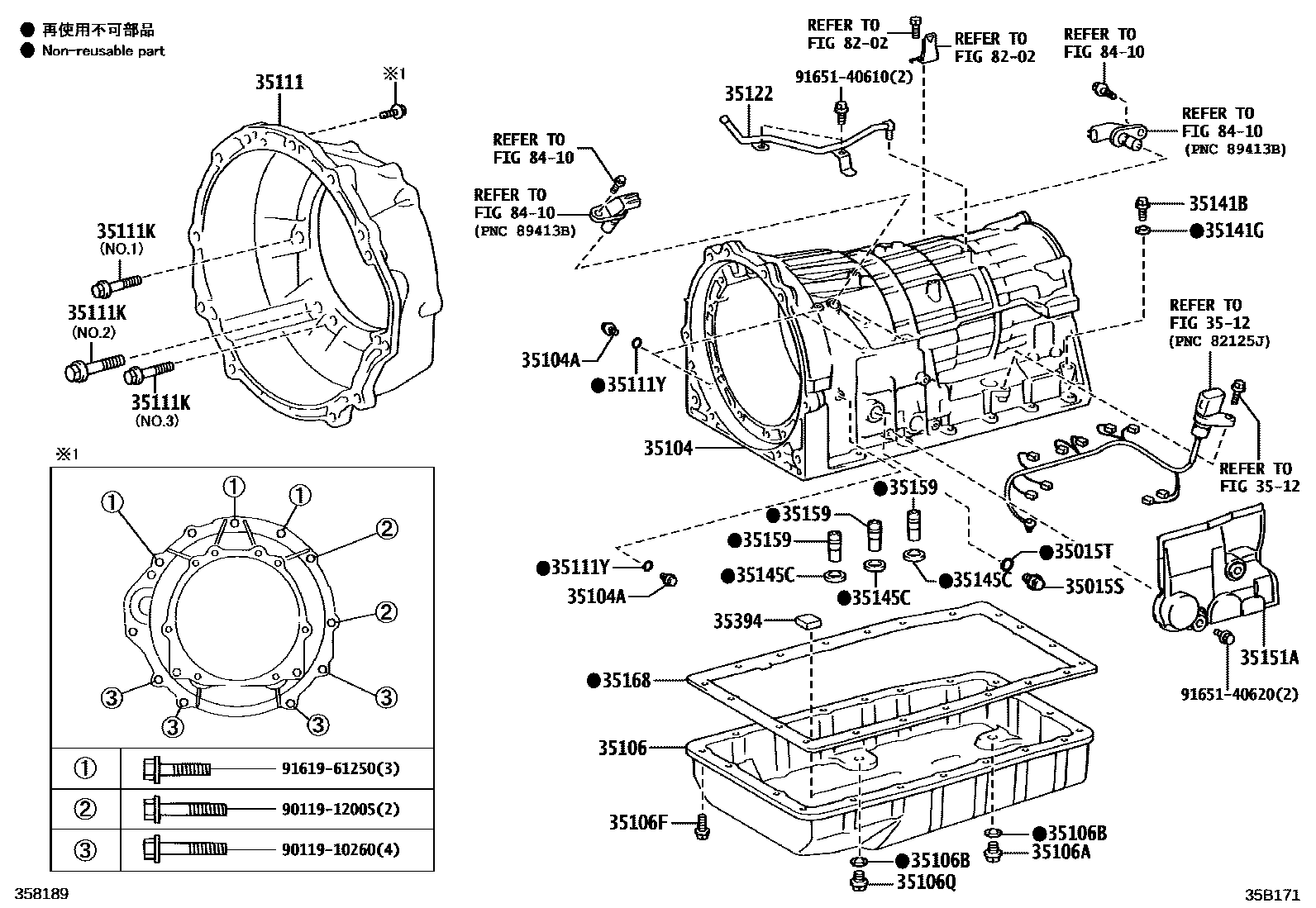
TRANSMISSION CASE & OIL PAN (ATM)

35015SPLUG, STRAIGHT(FOR TRANSMISSION CASE ADAPTER)
35015TRING, O(FOR TRANSMISSION CASE ADAPTER)
35104CASE SUB-ASSY, AUTOMATIC TRANSMISSION
35104APLUG, AUTOMATIC TRANSMISSION CASE
35106APLUG SUB-ASSY, DRAIN (ATM)
NO.1:REFER ILLUST.
NO.2:REFER ILLUST.
35106BGASKET, DRAIN PLUG (ATM)
35106FBOLT (FOR AUTOMATIC TRANSMISSION OIL PAN)
35106QPLUG (FOR AUTOMATIC TRANSMISSION OIL PAN)
35111HOUSING, AUTOMATIC TRANSMISSION
35111KBOLT (FOR TRANSMISSION HOUSING & CASE SETTING)
*10-1.5PX35-30,NO.1:REFER ILLUST.
*10-1.50PX35-29.3,NO.3:REFER ILLUST.
*12-1.75PX38-30,NO.2:REFER ILLUST.
35111YRING, O (FOR AUTOMATIC TRANSMISSION CASE)
3512
35122TUBE, BREATHER (FOR AUTOMATIC TRANSAXLE)
35141BPLUG (FOR AUTOMATIC TRANSMISSION CASE)
35141GRING, O (FOR AUTOMATIC TRANSMISSION CASE)
35145CGASKET, TRANSAXLE CASE
35151ACOVER, TRANSAXLE CASE, UPPER
35159GASKET, BRAKE DRUM
35168GASKET, AUTOMATIC TRANSMISSION OIL PAN
35394MAGNET, OIL CLEANER (FOR TRANSMISSION)
8202
8410
9011910260
main90119-10260
9011912005
main90119-12005
9161961250
main91619-61250
9165140610
main91651-40610
9165140620
main91651-40620
28 parts on this diagram · 5 diagrams in section