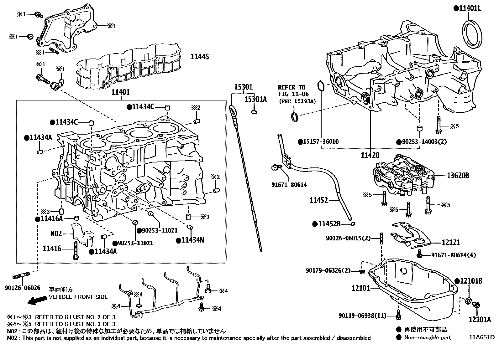
CYLINDER BLOCK

1106
11401LSEAL, ENGINE REAR OIL
11416BOLT(FOR CRANKSHAFT BEARING CAP SET)
NO.1:REFER ILLUST.
NO.2:REFER ILLUST.
NO.1:REFER ILLUST.
11416APIN, RING(FOR CRANKSHAFT BEARING CAP SET)
11420CRANKCASE ASSY, STIFFENING
11434APIN, STRAIGHT(FOR TIMING GEAR COVER SET)
L=12,OD=4.0
L=14,OD=6
11434CPIN, STRAIGHT (FOR CYLINDER HEAD SET)
L=18,OD=8
L=14,OD=15
11434NPIN, STRAIGHT(FOR WATER INLET HOUSING)
11445SPACER, CYLINDER BLOCK WATER JACKET
11452GUIDE, OIL LEVEL GAGE
11452BRING, O(FOR OIL LEVEL GAGE GUIDE)
12101PAN SUB-ASSY, OIL
12101APLUG(FOR OIL PAN DRAIN)
12101BGASKET(FOR OIL PAN DRAIN PLUG)
12121PLATE, OIL PAN BAFFLE, NO.1
13620BBALANCER ASSY, ENGINE
15301GAGE SUB-ASSY, OIL LEVEL
15301ARING, O(FOR OIL LEVEL GAGE)
1515736010COVER, OIL STRAINER
main15157-36010
9011906938
main90119-06938
9012606015
main90126-06015
9012606026
main90126-06026
9017906326
main90179-06326
9025311021
main90253-11021
9025314003
main90253-14003
9167180614
main91671-80614
27 parts on this diagram · 11 diagrams in section