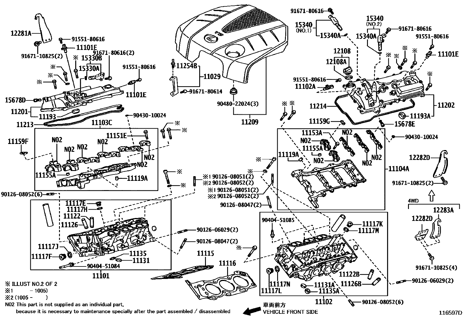
CYLINDER HEAD

11029BRACKET SUB-ASSY, V-BANK COVER
11101ESENSOR, CAM POSITION
11102ASENSOR, CAMSHAFT POSITION
11104AHOUSING SUB-ASSY, CAMSHAFT, LH
sub11104-31021
sub11104-31022
sub11104-31042
sub11104-31031
sub11104-31032
sub11104-31033
sub11104-31034
sub11104-31043
11115GASKET, CYLINDER HEAD
11116GASKET, CYLINDER HEAD, NO.2
11117EPLUG, W/HEAD STRAIGHT SCREW, NO.1
11117FPLUG, W/HEAD STRAIGHT SCREW, NO.2
11117HGASKET(FOR WATER HOLE)
11117JGASKET(FOR CYLINDER HEAD SCREW PLUG)
11117KPLUG, W/HEAD STRAIGHT SCREW, LH NO.1
11117LPLUG, W/HEAD STRAIGHT SCREW, LH NO.2
11117MGASKET(FOR WATER HOLE NO.2)
11117NGASKET(FOR CYLINDER HEAD SCREW PLUG NO.2)
11119APIN, STRAIGHT, NO.1
L=13.8,OD=5.0
11122BUSH, INTAKE VALVE GUIDE
O/S 0.05
11122BBUSH, INTAKE VALVE GUIDE, NO.2
O/S 0.05
11126BUSH, EXHAUST VALVE GUIDE
11126BBUSH, EXHAUST VALVE GUIDE, NO.2
11131SEAT, INTAKE VALVE
STD
STD
O/S 0.03
O/S 0.03
11131ASEAT, INTAKE VALVE, NO.2
STD
STD
O/S 0.03
O/S 0.03
11135SEAT, EXHAUST VALVE
STD
O/S 0.03
11135ASEAT, EXHAUST VALVE, NO.2
STD
O/S 0.03
11151EBOLT(FOR CAMSHAFT BEARING CAP TO HOUSING RH, NO.1)
11153ABOLT(FOR CAMSHAFT BEARING CAP TO HOUSING LH, NO.1)
11155APIN, RING W/HEAD
11159FGASKET, CAMSHAFT BEARING CAP OIL HOLE, RH
11159GGASKET, CAMSHAFT BEARING CAP OIL HOLE, LH
11193GASKET, SPARK PLUG TUBE
11193AGASKET, SPARK PLUG TUBE, LH
11202COVER SUB-ASSY, CYLINDER HEAD, LH
11213GASKET, CYLINDER HEAD COVER
11214GASKET, CYLINDER HEAD COVER, NO.2
11254BRACKET, V-BANK COVER, NO.1
11254BBOLT, V-BANK COVER
12108CAP SUB-ASSY, OIL FILLER
12108AGASKET(FOR OIL FILLER CAP)
12281AHANGER, ENGINE, NO.1
sub12281-31071
12283AHANGER, ENGINE, NO.3
15330ARING, O(FOR CAM TIMING OIL CONTROL VALVE)
15330BVALVE ASSY, CAM TIMING OIL CONTROL, RH
15340VALVE ASSY, CAM TIMING OIL CONTROL, LH
NO.1
NO.1
NO.2
15340ARING, O(FOR CAM TIMING OIL CONTROL VALVE)
15678DFILTER, OIL CONTROL VALVE, RH
15678EFILTER, OIL CONTROL VALVE, LH
9012606029
main90126-06029
9012608047
main90126-08047
9012608051
main90126-08051
9012608052
main90126-08052
9040451084
main90404-51084
9040451085
main90404-51085
9043010024
main90430-10024
9048022024
main90480-22024
9155180616
main91551-80616
9167110825
main91671-10825
9167180614
main91671-80614
9167180616
main91671-80616
63 parts on this diagram · 3 diagrams in section