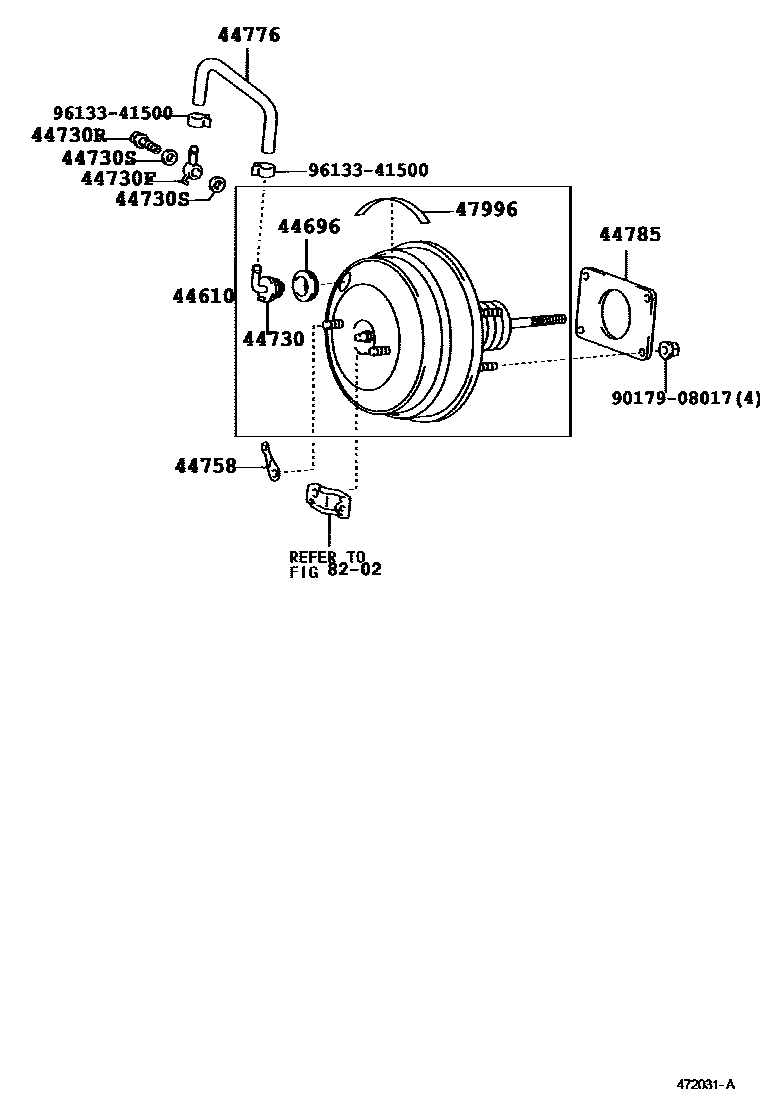
BRAKE BOOSTER & VACUUM TUBE

44730VALVE ASSY, VACUUM CHECK(FOR BRAKE)
44730FUNION, VACUUM HOSE(FOR MANIFOLD SIDE)
44730RBOLT, UNION(FOR VACUUM HOSE UNION)
44730SGASKET(FOR VACUUM HOSE UNION)
44758BRACKET, VACUUM CHECK VALVE
44776HOSE, BRAKE BOOSTER
44785GASKET, BRAKE BOOSTER
47996LABEL, BRAKE BLEED NOTICE
8202
9017908017
main90179-08017
9613341500
main96133-41500
13 parts on this diagram · 1 diagram in section