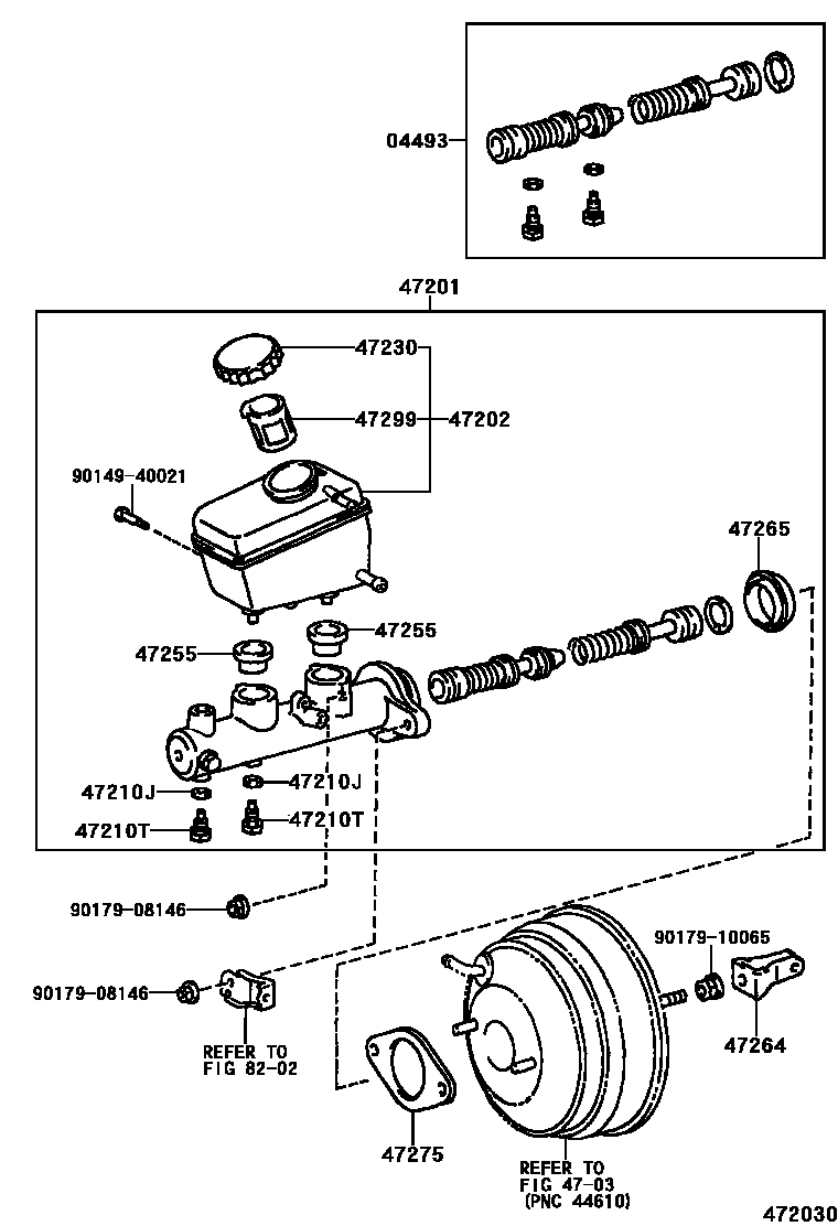
BRAKE MASTER CYLINDER

4703
47202RESERVOIR SUB-ASSY, BRAKE MASTER CYLINDER
47210JGASKET(FOR MASTER CYLINDER)
47210TBOLT(FOR BRAKE MASTER CYLINDER)
47230CAP ASSY, BRAKE MASTER CYLINDER RESERVOIR FILLER
sub47230-47090
47255GROMMET, MASTER CYLINDER RESERVOIR
47275GASKET, BRAKE MASTER CYLINDER
47299STRAINER, BRAKE MASTER CYLINDER RESERVOIR
8202
9014940021
main90149-40021
9017908146
main90179-08146
9017910065
main90179-10065
16 parts on this diagram · 2 diagrams in section