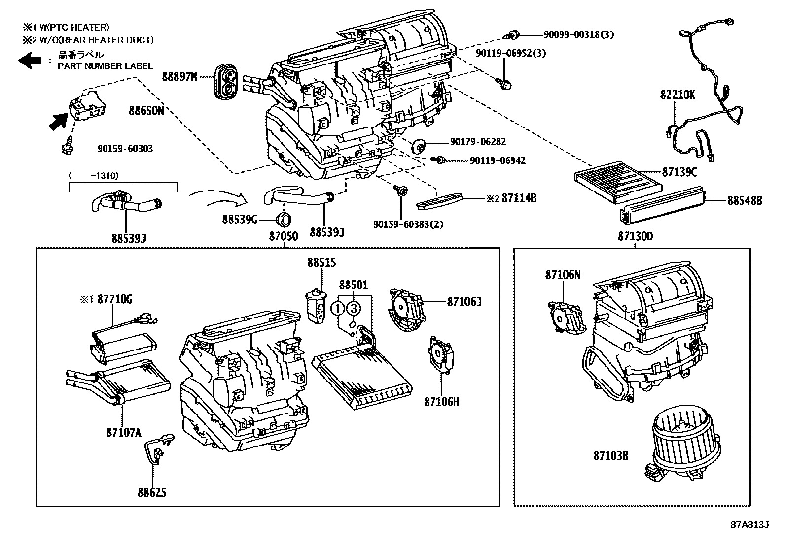
HEATING & AIR CONDITIONING - COOLER UNIT

82210KHARNESS ASSY, AIR CONDITIONER
87050RADIATOR ASSY, AIR CONDITIONER
87103BMOTOR SUB-ASSY, BLOWER W/FAN
MOON ROOF-WITH(SOLAR PANEL)
87106HSERVO SUB-ASSY, DAMPER(FOR AIRMIX)
87106JSERVO SUB-ASSY, DAMPER(FOR MODE)
87106NSERVO SUB-ASSY, DAMPER(FOR RECIRCULATION)
87107AUNIT SUB-ASSY, HEATER RADIATOR
87114BCOVER, HEATER
87130DBLOWER ASSY
MOON ROOF-WITH(SOLAR PANEL)
87139CFILTER, CLEAN AIR
POLLEN FILTER
MICRO DUST FILTER
*DPF
KOREA SPEC,*DPF
KOREA SPEC,DUST FILTER
MICRO DUST FILTER
KOREA SPEC, MICRO DUST FILTER
87710GQUICK HEATER ASSY
88515VALVE, COOLER EXPANSION
88539GGROMMET (FOR COOLER UNIT DRAIN HOSE)
88548BCASE, AIR FILTER
88625THERMISTOR, COOLER, NO.1
88650NAMPLIFIER ASSY, AIR CONDITIONER
sub88650-47081
MOON ROOF-WITH(SOLAR PANEL),P/N LABEL=8865047091
sub88650-47092
MOON ROOF-WITH(SOLAR PANEL)
MOON ROOF-WITH(SOLAR PANEL)
MOON ROOF-WITH(SOLAR PANEL)
sub88650-47082
MOON ROOF-WITH(SOLAR PANEL)
88897MGROMMET (FOR HEATER PIPE)
9009900318
main90099-00318
9011906942
main90119-06942
9011906952
main90119-06952
9015960303
main90159-60303
9015960383
main90159-60383
9017906282
main90179-06282
25 parts on this diagram · 2 diagrams in section