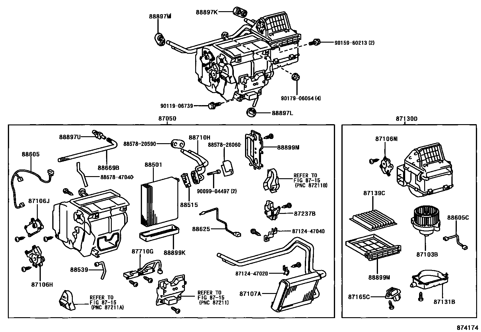
HEATING & AIR CONDITIONING - COOLER UNIT

87050RADIATOR ASSY, AIR CONDITIONER
COLD SPEC
87103BMOTOR SUB-ASSY, BLOWER W/FAN
sub87103-47050
87106HSERVO SUB-ASSY, DAMPER(FOR AIRMIX)
87106JSERVO SUB-ASSY, DAMPER(FOR MODE)
87106NSERVO SUB-ASSY, DAMPER(FOR RECIRCULATION)
87107AUNIT SUB-ASSY, HEATER RADIATOR
87130DBLOWER ASSY
87131BCASE, HEATER BLOWER
87139CFILTER, CLEAN AIR
8715
87165CCONTROL, BLOWER MOTOR
87237BCOVER, HEATER PIPING
87710GQUICK HEATER ASSY
88501EVAPORATOR SUB-ASSY, COOLER, NO.1
88515VALVE, COOLER EXPANSION
88539HOSE, COOLER UNIT DRAIN, NO.1
88605HARNESS SUB-ASSY, COOLER WIRING, NO.1
88605CHARNESS SUB-ASSY, COOLER WIRING, NO.2
88625THERMISTOR, COOLER, NO.1
88669BHOSE, COOLER AIR
sub88669-68020
88710HTUBE & ACCESSORY ASSY, AIR CONDITIONER
88897KGROMMET, (FOR COOLER PIPE)
88897LGROMMET (FOR DRAIN HOSE)
88897MGROMMET (FOR HEATER PIPE)
88897UPIPE, ASPIRATOR
88899KPLATE, COVER
88899MPLATE, COVER(FOR AIR FILTER)
88899NPLATE, COVER
8712447020CLAMP, HEATER
main87124-47020
8712447040CLAMP, HEATER
main87124-47040
8857820590PAKING, COOLER AIR DUCT
main88578-20590
8857826060PAKING, COOLER AIR DUCT
main88578-26060
8857847040PAKING, COOLER AIR DUCT
main88578-47040
9009904497
main90099-04497
9011906739
main90119-06739
9015960213
main90159-60213
9017906054
main90179-06054
37 parts on this diagram · 2 diagrams in section