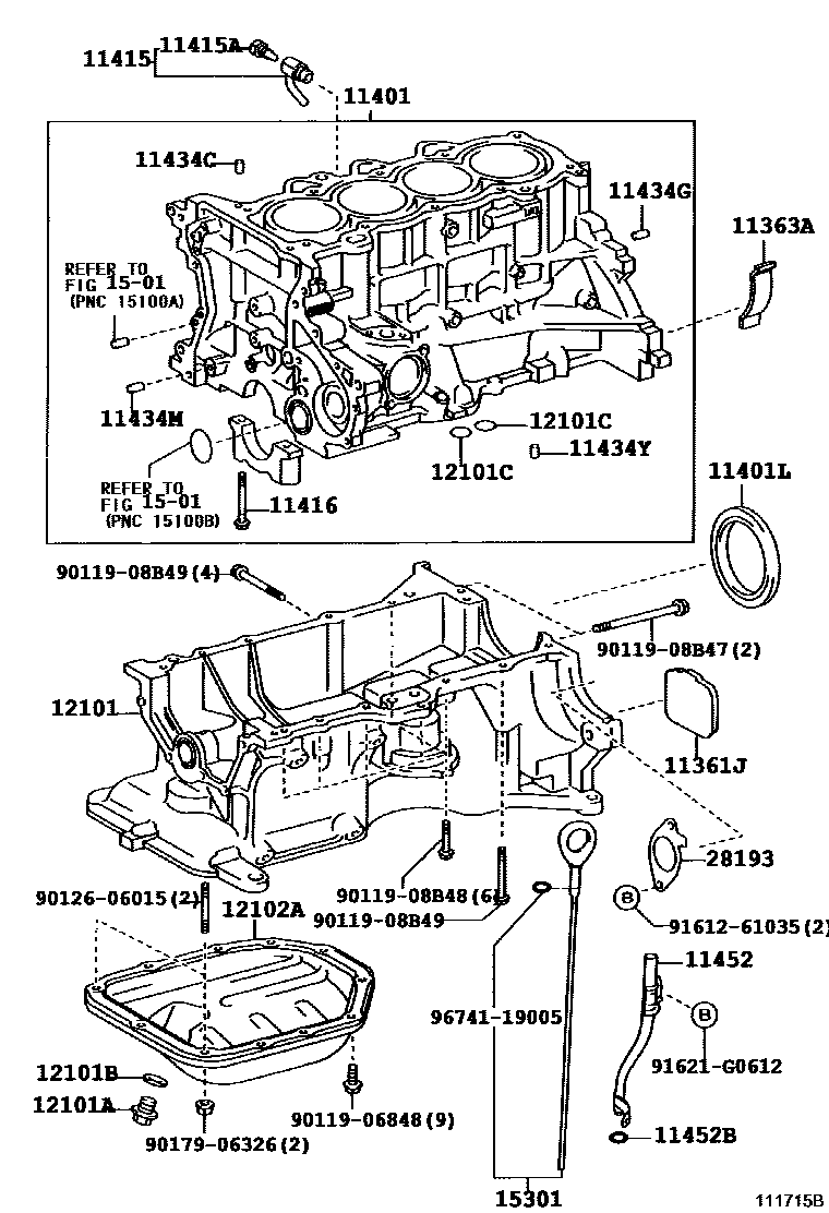
CYLINDER BLOCK

11363ACOVER, FLYWHEEL HOUSING SIDE
11401LSEAL, ENGINE REAR OIL
sub90311-75019
11415COCK SUB-ASSY, WATER DRAIN(FOR CYLINDER BLOCK)
11415APLUG, WATER DRAIN COCK(FOR CYLINDER BLOCK)
11416BOLT(FOR CRANKSHAFT BEARING CAP SET)
sub90910-02207
11434CPIN, STRAIGHT (FOR CYLINDER HEAD SET)
L=18,OD=8
11434GPIN, STRAIGHT(FOR END PLATE)
11434MPIN, STRAIGHT(FOR CHAIN TENSIONER)
11434YPIN, STRAIGHT(FOR OIL PAN)
11452BRING, O(FOR OIL LEVEL GAGE GUIDE)
12101BGASKET(FOR OIL PAN DRAIN PLUG)
12101CRING, O(FOR OIL PAN)
12102APAN SUB-ASSY, OIL, NO.2
1501
15301GAGE SUB-ASSY, OIL LEVEL
28193INSULATOR, STARTER HOLE
9011906848
main90119-06848
9011908B47
main90119-08B47
9011908B48
main90119-08B48
9011908B49
main90119-08B49
9012606015
main90126-06015
9017906326
main90179-06326
9161261035
main91612-61035
91621G0612
main91621-G0612
9674119005
main96741-19005
30 parts on this diagram · 1 diagram in section