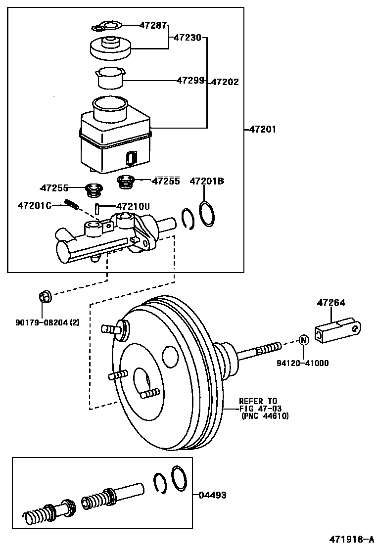
BRAKE MASTER CYLINDER

04493CYLINDER KIT, BRAKE MASTER
4703
47201CYLINDER SUB-ASSY, BRAKE MASTER
47201BRING, O(FOR BRAKE MASTER CYLINDER)
47201CRING PIN, BRAKE MASTER CYLINDER
47202RESERVOIR SUB-ASSY, BRAKE MASTER CYLINDER
47210UPIN, STRAIGHT(FOR BRAKE MASTER CYLINDER)
47230CAP ASSY, BRAKE MASTER CYLINDER RESERVOIR FILLER
47255GROMMET, MASTER CYLINDER RESERVOIR
47264CLEVIS, MASTER CYLINDER PUSH ROD
47287LABEL, BRAKE FLUID INFORMATION
47299STRAINER, BRAKE MASTER CYLINDER RESERVOIR
9017908204
main90179-08204
9412041000
main94120-41000
14 parts on this diagram · 1 diagram in section