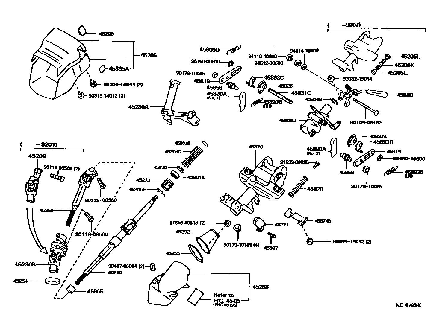
STEERING COLUMN & SHAFT

4505
45201ABEARING(FOR STEERING MAIN SHAFT)
45201BRING, SHAFT SNAP(FOR STEERING MAIN SHAFT)
T=1.20
45201GSPRING, COMPRESSION(FOR STEERING MAIN SHAFT)
45205ERING, SNAP(FOR STEERING COLUMN TUBE)
45205JTUBE SUB-ASSY, STEERING COLUMN, UPPER
45205KSPRING(FOR STEERING COLUMN TUBE)
45205LSCREW(FOR STEERING COLUMN TUBE)
45209YOKE SUB-ASSY, STEERING SLIDING
45215COLLAR, MAIN SHAFT BEARING THRUST
45230BJOINT ASSY, STEERING SHAFT UNIVERSAL
W(POWER STEERING)
45254SHIELD, STEERING COLUMN HOLE
W(POWER STEERING)
45255PLATE, STEERING COLUMN HOLE COVER
45260SHAFT ASSY, STEERING INTERMEDIATE, NO.2
W(POWER STEERING)
W(POWER STEERING)
45268COVER, STEERING INTER SHAFT DUST SEAL
W(POWER STEERING)
45271CLAMP, STEERING COLUMN, UPPER
45286COVER, STEERING COLUMN
45292SEAL, MAIN SHAFT LOWER DUST
45298PLUG, STEERING COLUMN COVER
45809DSPRING, TENSION W/DAMPER(FOR ADJUSTER MEMORY COVER)
45820SPRING ASSY, TILT STEERING SUPPORT
45826LEVER, STEERING TILT
45827ALEVER, STEERING TILT SUB
45831CSHAFT, TILT LEVER LOCK
45856BOLT, TILT STEERING, NO.2
OD=9.989-9.998
45865COLLAR, STEERING MAIN SHAFT
45870TUBE ASSY, STEERING COLUMN
45874BPROTECTOR, STEERING COLUMN, NO.1
45880LEVER ASSY, STEERING TILT
45890APAWL ASSY, TILT STEERING
N0.1
NO.1
N0.2
NO.2
45893BSPRING, TENSION(FOR TILT STEERING PAWL STOPPER)
LH
RH
45893CSTOPPER, STEERING PAWL, RH
MARK 1
MARK 2
MARK 3
MARK 4
MARK 5
45893DSTOPPER, STEERING PAWL, LH
MARK A
MARK B
MARK C
MARK D
MARK E
45895APLATE, TILT STEERING CAUTION
45897BOLT, STEERING LOCK SET
9010906162
main90109-06162
9011908560
main90119-08560
9015450011
main90154-50011
9017910065
main90179-10065
9017910189
main90179-10189
9046706094
main90467-06094
9163360625
main91633-60625
9165640618
main91656-40618
9331514012
main93315-14012
9331915012
main93319-15012
9338215014
main93382-15014
9411040600
main94110-40600
9451200600
main94512-00600
9461410600
main94614-10600
9616000800
main96160-00800
54 parts on this diagram · 2 diagrams in section