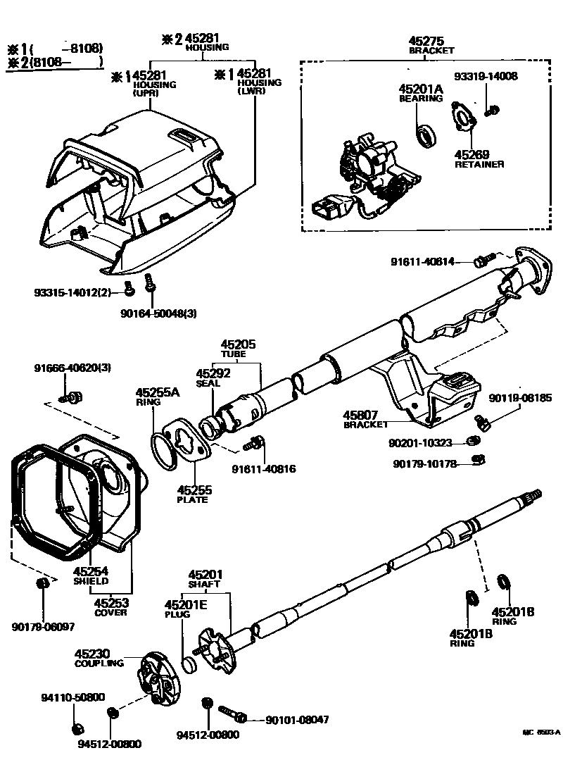
STEERING COLUMN & SHAFT

45201SHAFT SUB-ASSY, STEERING MAIN
W/PS
W/PS
W/TILT STRG,W/TILT STRG & PS
45201ABEARING(FOR STEERING MAIN SHAFT)
UPR,W/TILT STEERING
UPR
CTR,W/TILT STEERING
LWR
45201BRING, SHAFT SNAP(FOR STEERING MAIN SHAFT)
T=1.20,T=1.2
T=1.35-1.45,T=1.4
45201EPLUG, PLATE(FOR STEERING MAIN SHAFT)
45205TUBE SUB-ASSY, STEERING COLUMN
W/POWER STEERING
W/TILT STEERING
45230COUPLING ASSY, FLEXIBLE
W/POWER STEERING
45253COVER, STEERING COLUMN HOLE
W/POWER STEERING
W/POWER STEERING
45255PLATE, STEERING COLUMN HOLE COVER
45255AGROMMET OR RING, O(FOR STEERING COLUMN CLAMP)
45269RETAINER, MAIN SHAFT BEARING
45275BRACKET, STEERING COLUMN, UPPER
W/TILT STEERING
45281HOUSING, STEERING COLUMN
DARK BROWN,W/TILT STEERING,BROWN
sub45286-12928
45292SEAL, MAIN SHAFT LOWER DUST
sub45292-22040
45807BRACKET SUB-ASSY, STEERING COLUMN UPPER SUPPORT
W/TILT STEERING
9010108047
main90101-08047
9011908185
main90119-08185
9016450048
main90164-50048
9017906097
main90179-06097
9017910178
main90179-10178
9020110323
main90201-10323
9161140614
main91611-40614
9161140816
main91611-40816
9166640620
main91666-40620
9331514012
main93315-14012
9331914008
main93319-14008
9411050800
main94110-50800
9451200800
main94512-00800
28 parts on this diagram · 11 diagrams in section