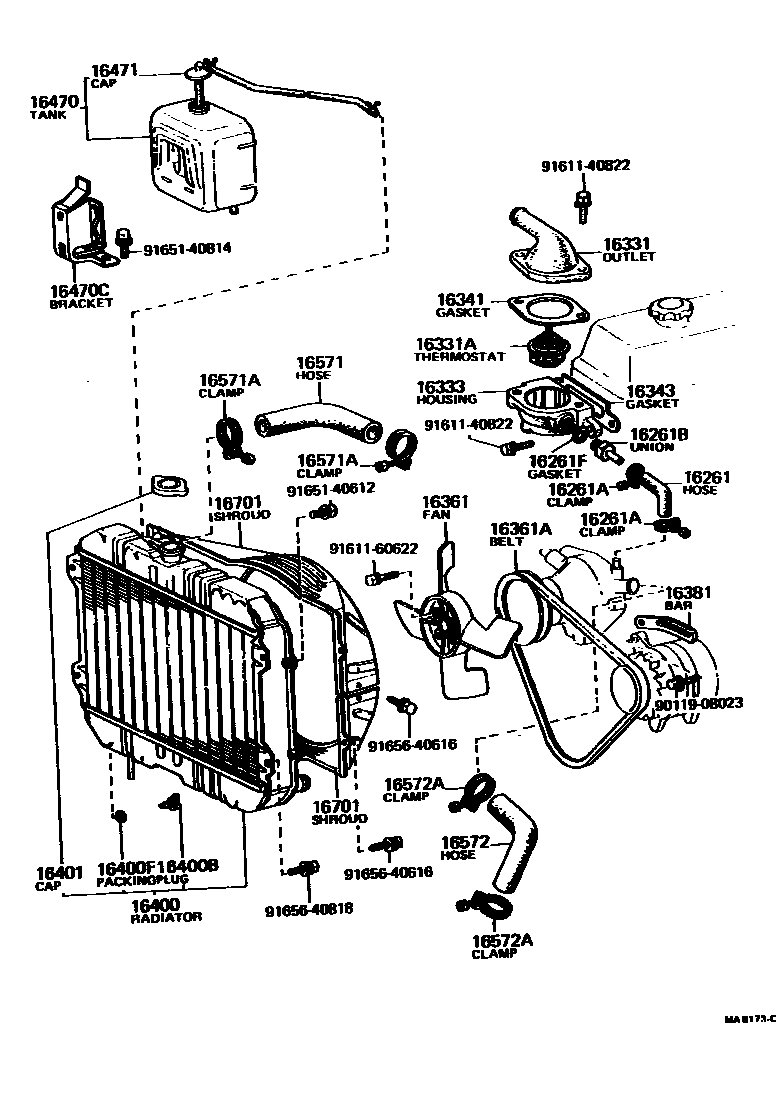
RADIATOR & WATER OUTLET

16261HOSE, WATER BY-PASS
16261BUNION(FOR WATER BY-PASS HOSE)
16261FGASKET(FOR WATER BY-PASS HOSE)
16331ATHERMOSTAT
WAX 82-95,FUJI-THOMSON
WAX 82-95,FUJI-THOMSON,CAL.
16333HOUSING, WATER OUTLET
CANADA SPEC.
DOUBLE ADVANCE DIS.
FOR CANADA DOUBLE ADVANCE DIS.
DOUBLE ADVANCE DIS.
CANADA SPEC.
HIGH ALTITUDE SPEC.
16361FAN
4 BLADES,W/COOLER
4 BLADES
4 BLADES
4 BLADES
4 BLADES
4 BLADES,W/COOLER
4 BLADES
4 BLADES,W/COOLER
5 BLADES
4 BLADES
16361ABELT, V(FOR FAN & ALTERNATOR)
L=840
L=885
L=890
16381BAR, FAN BELT ADJUSTING
16400RADIATOR ASSY
sub16400-26070
sub16400-26073
sub16400-26072
CALIFORNIA SPEC.
CAL.& H.A.
CALIFORNIA SPEC.
CALIFORNIA SPEC.
CAL.& H.A.
CALIFORNIA SPEC.
16400BPLUG, RADIATOR DRAIN COCK
16400FPACKING(FOR RADIATOR DRAIN COCK)
sub96711-19007
16571ACLAMP OR CLIP, HOSE(FOR RADIATOR INLET)
FOR RADIATOR SIDE
16572HOSE, RADIATOR, OUTLET
16572ACLAMP OR CLIP, HOSE(FOR RADIATOR OUTLET NO.1)
FOR RADIATOR SIDE
FOR WATER PUMP SIDE
16701SHROUD SUB-ASSY, FAN
W/COOLER
UPPER
sub16711-24091
sub16711-24092
W/COOLER
W/COOLER
UPPER
UPPER
UPPER W/COOLER
UPPER
LOWER
LOWER
LOWER
LOWER W/COOLER
LOWER
9011908023
main90119-08023
9161140822
main91611-40822
9161160622
main91611-60622
9165140612
main91651-40612
9165140814
main91651-40814
9165640616
main91656-40616
9165640818
main91656-40818
31 parts on this diagram · 5 diagrams in section