E
EPC Data

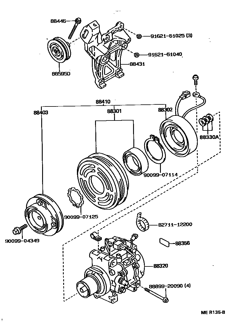
HEATING & AIR CONDITIONING - COMPRESSOR

Parts diagram
88301ROTOR SUB-ASSY, MAGNET CLUTCH
main88412-12190i199009-199308
88302STATOR SUB-ASSY, MAGNET CLUTCH
main88411-12141i199009-199308
main88411-12150i199009-199208
88320COMPRESSOR ASSY, COOLER
main88320-12720i199009-199308
88330AWASHER (FOR MAGNET CLUTCH)
main88335-14020i199009-199308
main90099-01553i199009-199208
T=0.1
main90099-01554i199009-199208
T=0.3
main90099-01555i199009-199208
T=0.5
88356LABEL, COMPRESSOR CAUTION
main88356-12010i199009-199308
88403HUB SUB-ASSY, MAGNET CLUTCH
main88403-16011i199009-199308
88410CLUTCH ASSY, MAGNET
main88410-12330i199009-199308
88431BRACKET, COMPRESSOR MOUNTING, NO.1
main88431-12380i199009-199308
88446BOLT, IDLE PULLEY
main88446-12030i199009-199308
88595DPULLEY ASSY, IDLE
main88440-17010i199009-199308
8271112200WIRE, FUSE TO FUSE(FOR COMBUSTION HEATER)
8889920090COVER, EVAPORATOR
9009904349
9009907114
9009907125
9162161025
9162161040

17 parts on this diagram · 2 diagrams in section

HEATING & AIR CONDITIONING - COMPRESSOR — Toyota Parts Diagram with OEM Numbers & Prices | EPC Data