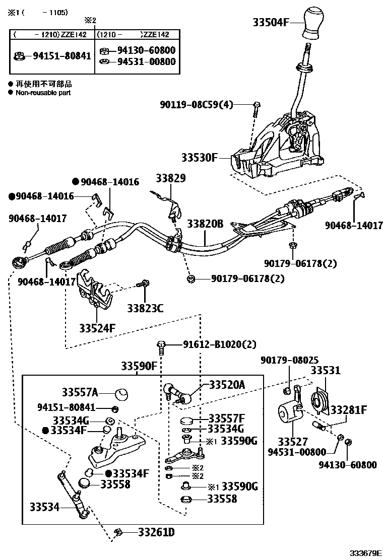
SHIFT LEVER & RETAINER

33261DBUSH (FOR SHIFT & SELECT LEVER)
33281FPIN, LEVER LOCK (FOR FLOOR SHIFT)
33504FKNOB SUB-ASSY, SHIFT LEVER
DK.GRAY & DARK BROWN,TRIM4#
SPORT PACKAGE,BLACK,TRIM1#
33520ASHAFT ASSY, FLOOR SHIFT CONTROL
33524FBRACKET, CONTROL LEVER HOUSING SUPPORT (FOR FLOOR SHIFT)
33527LEVER, CONTROL SHIFT (FOR FLOOR SHIFT)
33530FLEVER ASSY, SHIFT (FOR FLOOR SHIFT)
33531BOOT, DUST (FOR CONTROL SHIFT LEVER)
33534BELLCRANK, SELECTING
33534FBUSH (FOR SELECTING BELLCRANK NO.2)
33534GWASHER, PLATE (FOR SELECTING BELLCRANK NO.2)
33557ACOVER, SELECTING BELLCRANK DUST, NO.1
33557FCOVER, CONTROL BELLCRANK DUST (FOR FLOOR SHIFT)
33558COVER, SELECTING BELLCRANK DUST, NO.2
33590FCRANK ASSY, SELECTING BELL (FOR FLOOR SHIFT)
33590GBUSH (FOR SELECTING BELL CRANK)
33823BRACKET, TRANSMISSION CONTROL CABLE, NO.1
33823CBOLT (FOR TRANSMISSION CONTROL CABLE BRACKET)
33829SUPPORT, TRANSMISSION CONTROL CABLE
NO.2
NO.1
9011908C59
main90119-08C59
9017906178
main90179-06178
9017908025
main90179-08025
9046814016
main90468-14016
9046814017
main90468-14017
91612B1020
main91612-B1020
9413060800
main94130-60800
9415180841
main94151-80841
9453100800
main94531-00800
29 parts on this diagram · 4 diagrams in section