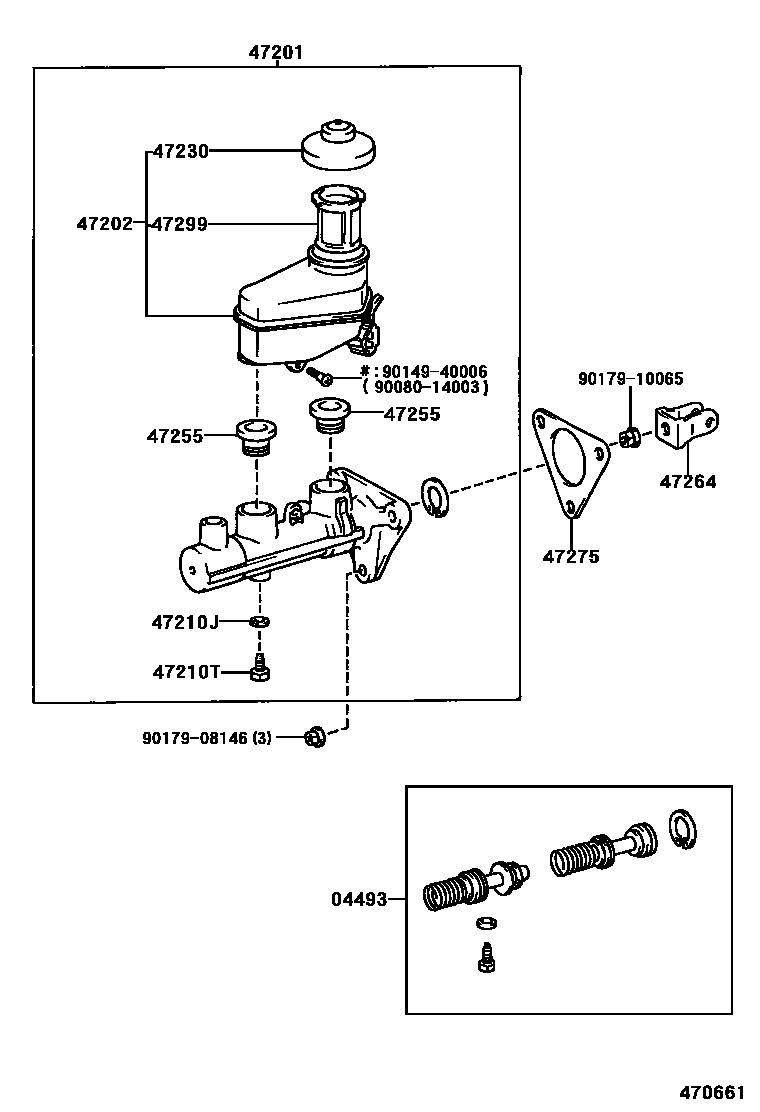
BRAKE MASTER CYLINDER

04493CYLINDER KIT, BRAKE MASTER
W(ABS)
W(ABS)
47201CYLINDER SUB-ASSY, BRAKE MASTER
(L)
W(ABS)
(J)
47202RESERVOIR SUB-ASSY, BRAKE MASTER CYLINDER
(L)
W(ABS)
47210JGASKET(FOR MASTER CYLINDER)
W(ABS)
47210TBOLT(FOR BRAKE MASTER CYLINDER)
47230CAP ASSY, BRAKE MASTER CYLINDER RESERVOIR FILLER
47255GROMMET, MASTER CYLINDER RESERVOIR
(L)
W(ABS),(L)
W(ABS)
(J)
47264CLEVIS, MASTER CYLINDER PUSH ROD
47275GASKET, BRAKE MASTER CYLINDER
W(ABS)
W(ABS)
47299STRAINER, BRAKE MASTER CYLINDER RESERVOIR
W(ABS)
9008014003
main90080-14003
9014940006
main90149-40006
9017908146
main90179-08146
9017910065
main90179-10065
14 parts on this diagram · 3 diagrams in section