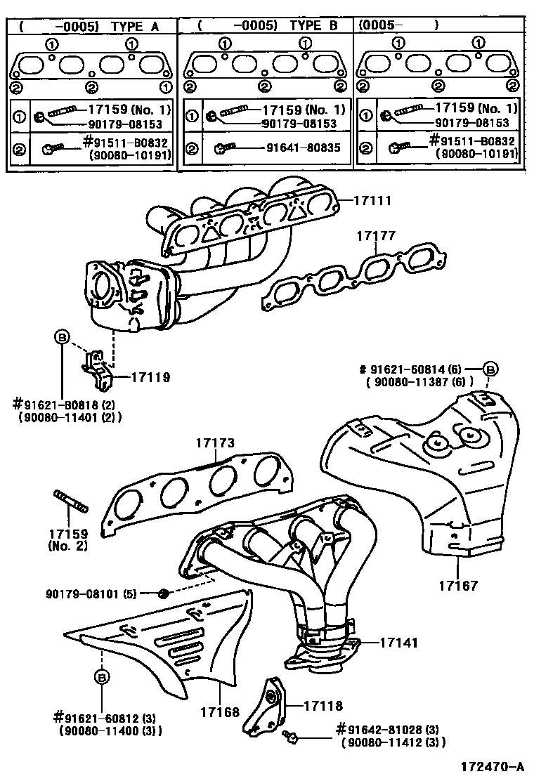
MANIFOLD

17111MANIFOLD, INTAKE
17118STAY, MANIFOLD
(L)
(J)
17119STAY, MANIFOLD, NO.2
(L)
(J)
17141MANIFOLD, EXHAUST
(L)
(J)
17159BOLT, STUD(FOR MANIFOLD TO CYLINDER HEAD)
TYPE A:REFER TO ILLUSTRATION,NO.1
TYPE B:REFER TO ILLUSTRATION,NO.1
NO.1
NO.2
NO.2
17167INSULATOR, EXHAUST MANIFOLD HEAT, NO.1
17168INSULATOR, EXHAUST MANIFOLD HEAT, NO.2
17173GASKET, EXHAUST MANIFOLD TO HEAD
17177GASKET, INTAKE MANIFOLD TO HEAD, NO.1
(L)
(J)
9008010191
main90080-10191
9008011387
main90080-11387
9008011400
main90080-11400
9008011401
main90080-11401
9008011412
main90080-11412
9017908101
main90179-08101
9017908153
main90179-08153
91511B0832
main91511-B0832
9162160812
main91621-60812
9162160814
main91621-60814
91621B0818
main91621-B0818
9164180835
main91641-80835
9164281028
main91642-81028
22 parts on this diagram · 1 diagram in section