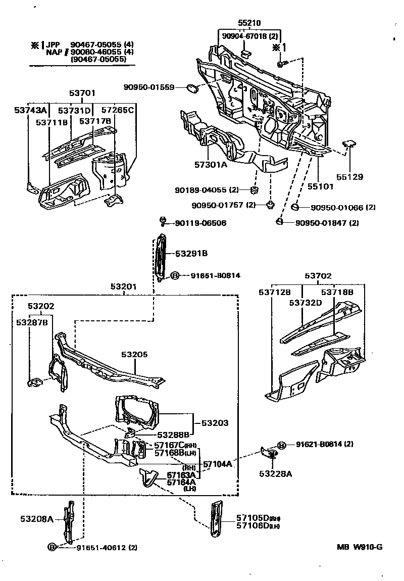
FRONT FENDER APRON & DASH PANEL

53201SUPPORT SUB-ASSY, RADIATOR
53202SUPPORT SUB-ASSY, RADIATOR, RH
53203SUPPORT SUB-ASSY, RADIATOR, LH
53205SUPPORT SUB-ASSY, RADIATOR, UPPER
53208ASUPPORT SUB-ASSY, HOOD LOCK
53228ABRACKET, RADIATOR MOUNTING, LOWER NO.1
53287BEXTENSION, RADIATOR SUPPORT, RH
53288BEXTENSION, RADIATOR SUPPORT, LH
53291BPLATE, RADIATOR COVER
53731DMEMBER, FRONT APRON TO COWL SIDE, UPPER RH
(L)
(J)
53732DMEMBER, FRONT APRON TO COWL SIDE, UPPER LH
(L)
(J)
53743AREINFORCEMENT, FRONT FENDER APRON, FRONT RH
55101PANEL SUB-ASSY, DASH
55129COVER, DASH PANEL HOLE
55210INSULATOR ASSY, DASH PANEL
57105DPLATE SUB-ASSY, FRONT SIDE MEMBER, RH
57106DPLATE SUB-ASSY, FRONT SIDE MEMBER, LH
57163AREINFORCEMENT, FRONT CROSSMEMBER, NO.1 RH
(L)
(J)
57164AREINFORCEMENT, FRONT CROSSMEMBER, NO.1 LH
(L)
(J)
57167CGUSSET, FRONT CROSSMEMBER SIDE, RH
57168BGUSSET, FRONT CROSSMEMBER SIDE, LH
57265CBRACKET, ENGINE MOUNTING, RH
57301AMEMBER SUB-ASSY, STEERING GEAR BOX SUPPORT
9008046055
main90080-46055
9011906506
main90119-06506
9018904055
main90189-04055
9046705055
main90467-05055
9090467018
main90904-67018
9095001066
main90950-01066
9095001559
main90950-01559
9095001757
main90950-01757
9095001847
main90950-01847
91621B0814
main91621-B0814
9165140612
main91651-40612
91651B0814
main91651-B0814
42 parts on this diagram · 1 diagram in section