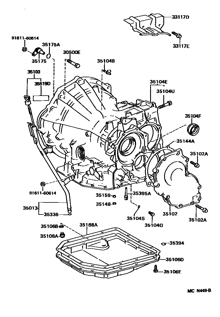
TRANSMISSION CASE & OIL PAN (ATM)

30500EBOLT(FOR TRANSAXLE & ENGINE SETTING)
*10-1.25PX43-26
*12-1.25PX55-30
*12-1.25PX45-30
33117DPROTECTOR, AUTOMATIC TRANSMISSION CASE
33117EBOLT(FOR AUTOMATIC TRANSMISSION CASE PROTECTOR)
sub91641-H0820
35013TUBE SUB-ASSY, TRANSMISSION OIL FILLER
35102COVER SUB-ASSY, TRANSAXLE REAR
AISIN AW:REFER TO ILLUSTRATION FIG.35-01
35102ABOLT (FOR TRANSAXLE REAR COVER SETTING)
*6-1.00PX32-32
*8-1.25PX28-28
*8-1.25PX40-40
*6-1.0PX25-25
35103GAGE SUB-ASSY, TRANSMISSION OIL LEVEL
(L)
(L)
(J)
(J)
35104BPLUG, BREATHER, NO.1 (ATM)
35104ECASE SUB-ASSY, AUTOMATIC TRANSAXLE
35104QPLUG, NO.1 (FOR TRANSAXLE CASE)
35104SRING, O (FOR TRANSAXLE CASE PLUG NO.1)
35104UBOLT (FOR TRANSAXLE CASE)
*10-1.25PX53-26
35106APLUG SUB-ASSY, DRAIN (ATM)
35106BGASKET, DRAIN PLUG (ATM)
35106DPAN SUB-ASSY, AUTOMATIC TRANSAXLE OIL
MIDDLE EAST SPEC
35106EBOLT (FOR TRANSAXLE OIL PAN)
35148GASKET, GOVERNOR APPLY, NO.1
35168AGASKET, AUTOMATIC TRANSAXLE OIL PAN
35175CAP, TRANSAXLE CASE, NO.2
35175ARING, O (FOR TRANSAXLE CASE CAP)
35336RING, O (FOR TRANSMISSION OIL FILLER TUBE)
35394MAGNET, OIL CLEANER (FOR TRANSMISSION)
35395ASTRAINER, GOVERNOR OIL
AISIN AW:REFER TO ILLUSTRATION FIG.35-01
35519DLABEL, AUTOMATIC TRANSMISSION INFORMATION
9161160614
main91611-60614
28 parts on this diagram · 3 diagrams in section