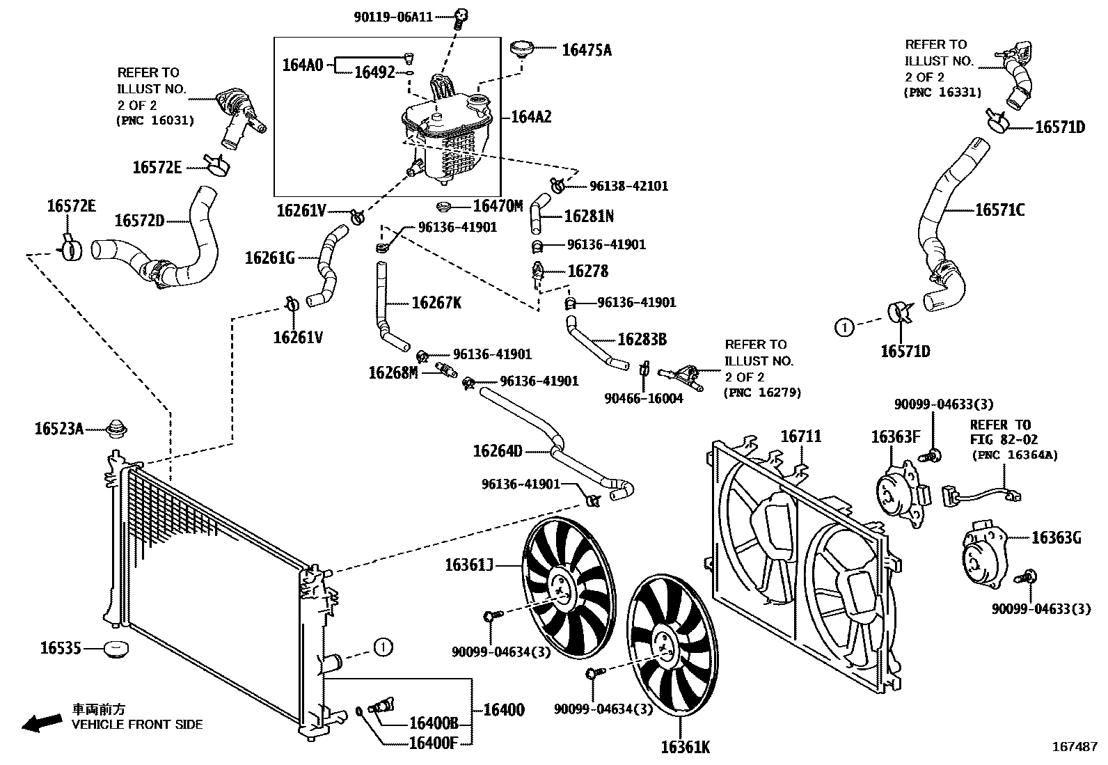
RADIATOR & WATER OUTLET

16261HOSE, WATER BY-PASS
16261GHOSE, WATER BY-PASS, NO.1
16261VCLAMP OR CLIP, HOSE(FOR WATER BY-PASS HOSE)
16264HOSE, WATER BY-PASS, NO.2
16264DHOSE, WATER BY-PASS, NO.2
16267HOSE, WATER BY-PASS, NO.3
16267KHOSE, WATER BY-PASS, NO.3
16268PIPE, WATER BY-PASS, NO.1
NO PAINTED
NO PAINTED
16268MPIPE, WATER BY-PASS, NO.3
16278PIPE, WATER BY-PASS, NO.2
16281HOSE, WATER BY-PASS, NO.4
16281NHOSE, WATER BY-PASS, NO.4
MARK=LIGHT BLUE
MARK=WHITE
16283HOSE, WATER BY-PASS, NO.6
16283BHOSE, WATER BY-PASS
16361FAN
16361JFAN, RH
16361KFAN, LH
16363MOTOR, COOLING FAN
16400BPLUG, RADIATOR DRAIN COCK
16400FPACKING(FOR RADIATOR DRAIN COCK)
16470TANK ASSY, RADIATOR RESERVE
16470MGROMMET
16475ACAP, RESERVE TANK
16492RING, O(FOR RADIATOR RESERVE TANK COCK)
164A0COCK ASSY, RESERVE TANK
164A2TANK, RESERVE SEALED W/O CAP
16523ACUSHION, RADIATOR SUPPORT
16535SUPPORT, RADIATOR, LOWER
16571DCLIP, RADIATOR HOSE, NO.1
NO.2
NO.1
16572DHOSE, RADIATOR, NO.2
16572ECLIP, RADIATOR HOSE, NO.2
16711SHROUD, FAN
8202
9009904633
main90099-04633
9009904634
main90099-04634
9011906A11
main90119-06A11
9046616004
main90466-16004
9613641901
main96136-41901
9613842101
main96138-42101
43 parts on this diagram · 12 diagrams in section