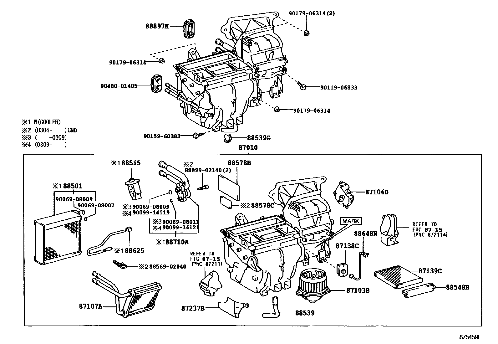
HEATING & AIR CONDITIONING - COOLER UNIT

87010UNIT ASSY, AIR CONDITIONER
MARK 3:REFER TO ILLUSTRATION
MARK 4:REFER TO ILLUSTRATION
MARK 5:REFER TO ILLUSTRATION
MARK 6:REFER TO ILLUSTRATION
87106DSERVO SUB-ASSY, DAMPER, NO.1
87107AUNIT SUB-ASSY, HEATER RADIATOR
87138CRESISTOR, BLOWER
87139CFILTER, CLEAN AIR
8715
87237BCOVER, HEATER PIPING
88501EVAPORATOR SUB-ASSY, COOLER, NO.1
88539HOSE, COOLER UNIT DRAIN, NO.1
88539GGROMMET (FOR COOLER UNIT DRAIN HOSE)
88548BCASE, AIR FILTER
88578BPACKING, COOLING UNIT, NO.1
88578CPACKING, COOLING UNIT, NO.2
88625THERMISTOR, COOLER, NO.1
88648NWIRING, COOLER, NO.2
88710ATUBE ASSY, AIR CONDITIONER
88897KGROMMET, (FOR COOLER PIPE)
8856902040CLAMP (FOR COOLER RELAY)
main88569-02040
8889902140COVER, EVAPORATOR
main88899-02140
9006908007
main90069-08007
9006908009
main90069-08009
9006908011
main90069-08011
9009914119
main90099-14119
9009914121
main90099-14121
9011906833
main90119-06833
9015960383
main90159-60383
9017906314
main90179-06314
9048001405
main90480-01405
30 parts on this diagram · 3 diagrams in section