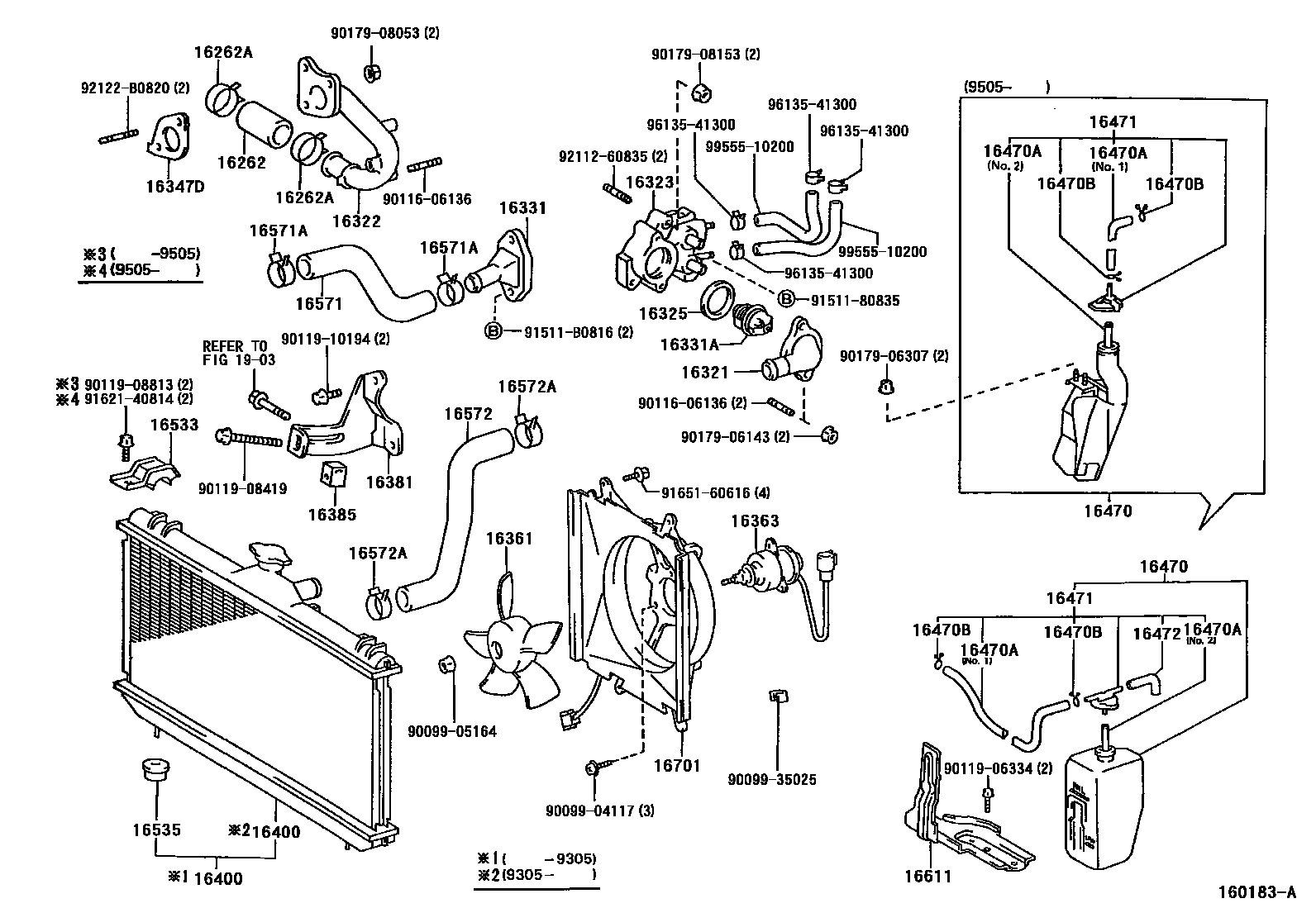
RADIATOR & WATER OUTLET

16262HOSE, WATER INLET
sub16262-16030
16262ACLIP(FOR WATER INLET HOSE)
sub90467-37005
16321INLET, WATER
16323HOUSING, WATER INLET
sub16323-16410
16331OUTLET, WATER
16331ATHERMOSTAT
*WAX 82-95
*WAX 82-95
16347DGASKET, WATER BY-PASS
16361FAN
NIPPONDENSO USA
NIPPONDENSO JAPAN
16363MOTOR, COOLING FAN
(L)
(J)
16381BAR, FAN BELT ADJUSTING
16385SLIDER, FAN BELT ADJUSTING
sub16385-15030
16400RADIATOR ASSY
DIFFERENTIAL RATIO=3.722,NIPPONDENSO
sub16400-16730
16470TANK ASSY, RADIATOR RESERVE
sub16470-15081
main16470-15090i7AFE..AE102..JPP..4FC..CND;4AFE,7AFE..AE10#..JPP..(3FC,5F);7AFE..AE102..JPP..SED..4FC..USA199505-199508
16470AHOSE OR PIPE(FOR RADIATOR RESERVE TANK)
NO.1
NO.1
main90445-12078i7AFE..AE102..JPP..4FC..CND;4AFE,7AFE..AE10#..JPP..(3FC,5F);7AFE..AE102..JPP..SED..4FC..USA199505-199508
NO.2
main90445-12078i7AFE..AE102..JPP..4FC..CND;4AFE,7AFE..AE10#..JPP..(3FC,5F);7AFE..AE102..JPP..SED..4FC..USA199206-199508
L=600(*H,L=170),NO.2
16470BCLAMP OR CLIP(FOR RADIATOR RESERVE TANK HOSE)
16471CAP SUB-ASSY, RESERVE TANK
sub16405-15091
main16405-15100i7AFE..AE102..JPP..4FC..CND;4AFE,7AFE..AE10#..JPP..(3FC,5F);7AFE..AE102..JPP..SED..4FC..USA199505-199508
16472HOSE, BREATHER
16533SUPPORT, RADIATOR, UPPER
W(*66),(L),RH
(L)
BRAZIL SPEC,(L),RH
(L),RH
(J)
W(*66),(J),RH
(J),RH
BRAZIL SPEC,(J),RH
W(*66),LH
BRAZIL SPEC,LH
LH
16571HOSE, RADIATOR, INLET
(L)
main16571-02050i7AFE..AE102..JPP..5F;7AFE..AE102..JPP..4FC..CND;7AFE..AE102..JPP..SED..4FC..USA199505-199704
(L)
(J)
(J)
16571ACLAMP OR CLIP, HOSE(FOR RADIATOR INLET)
sub90467-34004
16572HOSE, RADIATOR, OUTLET
(L)
(L)
(J)
(J)
16572ACLAMP OR CLIP, HOSE(FOR RADIATOR OUTLET NO.1)
sub90467-34004
16611BRACKET, RADIATOR RESERVE TANK
1903
9009904117
main90099-04117
9009905164
main90099-05164
9009935025
main90099-35025
9011606136
main90116-06136
9011906334
main90119-06334
9011908419
main90119-08419
9011908813
main90119-08813
9011910194
main90119-10194
9017906143
main90179-06143
9017906307
main90179-06307
9017908053
main90179-08053
9017908153
main90179-08153
9151180835
main91511-80835
91511B0816
main91511-B0816
9162140814
main91621-40814
9165160616
main91651-60616
9211260835
main92112-60835
92122B0820
main92122-B0820
9613541300
main96135-41300
9955510200
main99555-10200
48 parts on this diagram · 2 diagrams in section