E
EPC Data

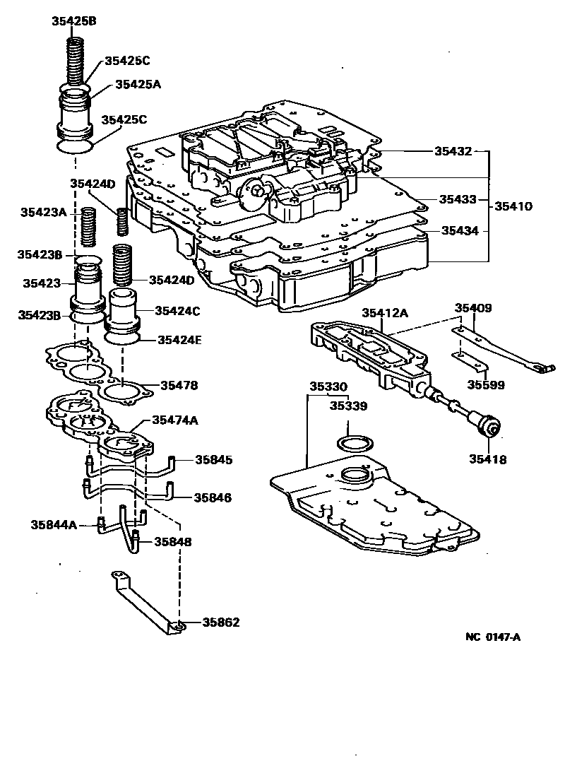
VALVE BODY & OIL STRAINER (ATM)

Parts diagram
35330STRAINER ASSY, VALVE BODY OIL
main35330-12011i198804-199003
main35330-12020i199003-199206
main35330-20010i198708-198903
main35330-20011i198910-198911
main35330-20012i198911-199206
35339GASKET, OIL STRAINER
main35339-12010i198708-199206
main35339-32010i198708-199206
35409SPRING SUB-ASSY, MANUAL DETENT
main35409-12010i198708-198808
main35409-20010i198808-199206
main35409-32020i198708-198808
main35409-32030i198808-199206
35410BODY ASSY, TRANSMISSION VALVE
main35410-12101i198708-198910
main35410-12161i198802-198803
main35410-12163i198803-199009
main35410-12170i198708-199007
main35410-12220i198908-199203
main35410-12221i199203-199206
main35410-12240i198908-198910
main35410-12260i198908-199206
main35410-12310i198910-199205
AISIN WARNER
main35410-12311i199205-199206
AISIN WARNER
main35410-20080i198708-198803
main35410-20231i198803-198908
35412ABODY, MANUAL VALVE
main35412-32010i198708-199206
35418VALVE, MANUAL
main35418-32010i198708-199206
35423PISTON, B-2 ACCUMULATOR
main35403-20020i199005-199206
main35423-20010i198708-198910
main35423-20030i199205-199206
AISIN WARNER
main35423-32010i198708-198908
main35423-32020i198908-199005
35423ASPRING, COMPRESSION (FOR B-2 ACCUMULATOR PISTON)
main35208-20040i199205-199206
AISIN WARNER,LWR
main90501-14101i198910-199101
AISIN WARNER,LWR
main90501-16111i199101-199206
LWR
main90501-20089i198908-199005
LWR
main90501-20105i198908-199005
UPR
main90501-20116i199005-199112
main90501-20128i199112-199206
main90501-23110i199205-199206
AISIN WARNER,UPR
main90501-26014i198708-198908
main90501-26048i198910-199205
AISIN WARNER,UPR
35423BRING, O (FOR B-2 ACCUMULATOR PISTON)
main90301-22185i198708-199206
UPR
main90301-29187i198708-199206
LWR
35424CPISTON, C-1 ACCUMULATOR
main35424-12040i199205-199206
AISIN WARNER
main35424-20010i198708-199206
main35424-20020i199102-199206
main35424-32010i198708-199205
AISIN WARNER
35424DSPRING, COMPRESSION (FOR C-1 ACCUMULATOR PISTON)
main90501-20118i199102-199112
main90501-20129i199112-199205
OUTER
main90501-21013i199101-199205
AISIN WARNER,OUTER
main90501-22005i198708-199101
AISIN WARNER,OUTER
main90501-22022i199002-199011
OUTER
main90501-23044i199011-199102
main90501-23058i198708-199206
INNER
main90501-23065i198708-199206
OUTER
main90501-24007i198802-199007
OUTER
main90501-24018i199007-199009
OUTER
main90501-26053i198802-199009
INNER
main90501-27023i199112-199205
INNER
35424ERING, O (FOR C-1 ACCUMULATOR PISTON)
main90301-23194i199112-199206
UPR
main90301-29187i199112-199206
LWR
35425APISTON, C-2 ACCUMULATOR
main35425-12020i198708-199206
main35425-32010i198708-199206
35425BSPRING, COMPRESSION (FOR C-2 ACCUMULATOR PISTON)
main90501-23042i198910-199205
main90501-23063i198708-199206
main90501-24013i198908-199112
main90501-25039i199112-199206
35425CRING, O (FOR C-2 ACCUMULATOR PISTON)
main90301-23194i198708-199206
UPR
main90301-26190i198708-199206
UPR
main90301-29187i198708-199206
LWR
35432PLATE, VALVE BODY, NO.1
main35432-12091i198708-198910
main35432-12120i198802-199009
main35432-12130i198912-199206
main35432-12150i198910-199205
main35432-12170i199205-199206
AISIN WARNER
main35432-18010i198708-198908
main35432-20031i198708-198908
main35432-20190i198908-199206
35433GASKET, VALVE BODY, NO.1
main35433-12030i198910-199206
main35433-12040i198802-199009
main35433-20020i198708-199206
main35433-20030i198708-199206
35434GASKET, VALVE BODY, NO.2
main35434-12020i198802-199009
main35434-20010i198708-199206
main35434-32020i198708-199206
35474ACOVER, ACCUMULATOR
main35474-12010i198910-199206
AISIN WARNER
main35474-20010i199005-199206
main35474-32010i198708-198908
main35474-32020i198908-199005
35478GASKET, ACCUMULATOR COVER
main35478-32010i198708-199206
35599COVER, MANUAL DETENT SPRING
main35599-12010i198708-199206
main35599-32010i198708-199206
35844ATUBE, ACCUMULATOR BACK PRESSURE, NO.1
main35844-12020i198708-198910
main35844-12030i198708-199206
main35844-32021i198708-199206
35845TUBE, RR CLUTCH ACCUMULATOR
main35845-12020i198708-198808
main35845-12021i198808-198908
main35845-32011i198708-198808
main35845-32012i198808-199206
35846TUBE, BRAKE ACCUMULATOR
main35846-12030i198708-198808
main35846-12031i198808-198908
main35846-12040i198708-199206
main35846-20020i199005-199206
main35846-32021i198708-198808
main35846-32022i198808-198908
35848TUBE, FORWARD CLUTCH ACCUMULATOR
main35848-12020i198708-198910
main35848-12030i198708-199206
main35848-32011i198708-199206
AISIN WARNER
35862BRACKET, ACCUMULATOR APPLY TUBE
main35862-12011i198708-198910
main35862-12020i198708-199206
main35862-32011i198708-199206

26 parts on this diagram · 12 diagrams in section

VALVE BODY & OIL STRAINER (ATM) — Toyota Parts Diagram with OEM Numbers & Prices | EPC Data