HEATING & AIR CONDITIONING - COOLER UNIT

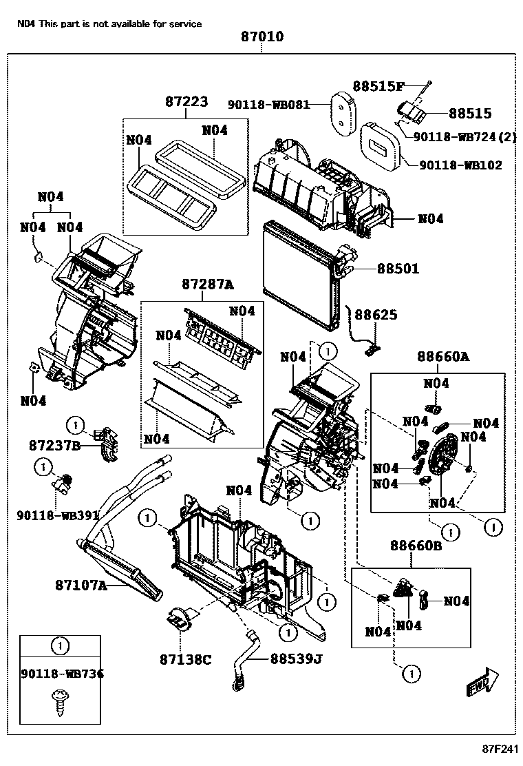
87010UNIT ASSY, AIR CONDITIONER
sub87010-WB004
main87010-WB006iDAEC1..C,E,F;DDF5..A,B,D,E,F,G;DADW1,DAEA1,DAEB1,DAED1,DAEE1,DDF4,8,9..A,B,C,D201808
87107AUNIT SUB-ASSY, HEATER RADIATOR
87138CRESISTOR, BLOWER
87223PAD, AIR DUCT
87237BCOVER, HEATER PIPING
87287ADAMPER, HEATER AIR
88515VALVE, COOLER EXPANSION
88515FBOLT(FOR COOLER EXPANSION VALVE)
88539JHOSE, DRAIN COOLER
88625THERMISTOR, COOLER, NO.1
88660ASERVO ASSY, AIR CONDITIONER, NO.1
88660BSERVO ASSY, AIR CONDITIONER, NO.2
90118WB081
main90118-WB081
90118WB102
main90118-WB102
90118WB391
main90118-WB391
90118WB724
main90118-WB724
90118WB736
main90118-WB736
18 parts on this diagram · 4 diagrams in section