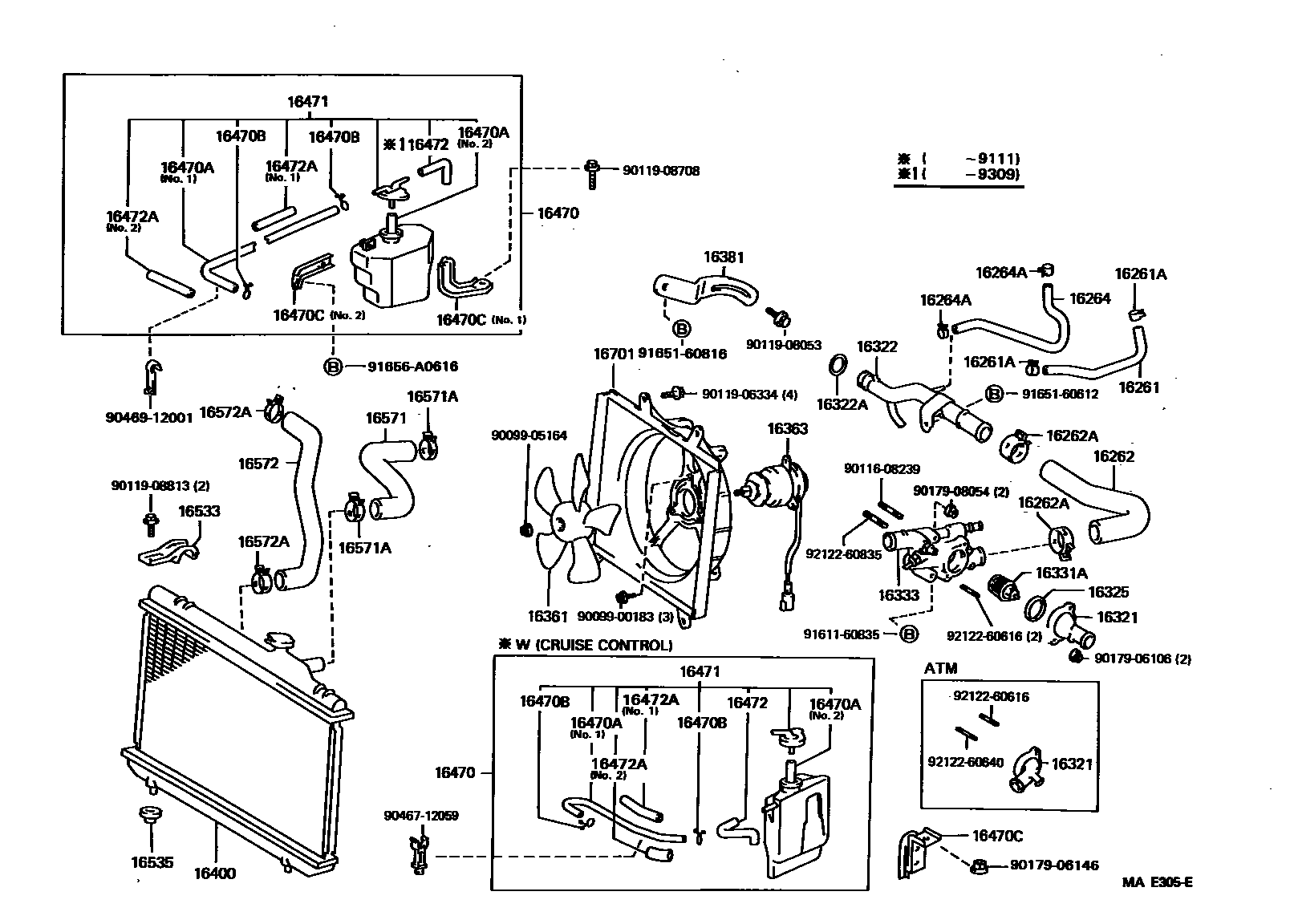
RADIATOR & WATER OUTLET

16261HOSE, WATER BY-PASS
16261ACLAMP OR CLIP, HOSE(FOR WATER BY-PASS HOSE)
sub96135-51100
16262ACLIP(FOR WATER INLET HOSE)
sub90467-34004
16264HOSE, WATER BY-PASS, NO.2
*H,L=200
16264ACLAMP OR CLIP(FOR WATER BY-PASS HOSE NO.2)
sub96135-51100
16321INLET, WATER
16322ARING, O(FOR WATER INLET)
sub96761-35028
16331ATHERMOSTAT
*WAX 82-95
16333HOUSING, WATER OUTLET
16381BAR, FAN BELT ADJUSTING
CHILE SPEC
COLD AREA SPEC
16470TANK ASSY, RADIATOR RESERVE
W(CRUISE CONTROL)
W(ABS)
16470AHOSE OR PIPE(FOR RADIATOR RESERVE TANK)
W(CRUISE CONTROL),NO.1
W(*66),NO.1
L=1000,NO.1
L=600,W(*66),NO.2
L=600,NO.2
16470BCLAMP OR CLIP(FOR RADIATOR RESERVE TANK HOSE)
16470CBRACKET(FOR RADIATOR RESERVE TANK)
NO.1
NO.2
W(CRUISE CONTROL)
W(*66)
16471CAP SUB-ASSY, RESERVE TANK
W(ABS)
W(CRUISE CONTROL)
16472HOSE, BREATHER
W(CRUISE CONTROL)
W(ABS)
16472APROTECTOR, HOSE
NO.1
W(CRUISE CONTROL)
W(CRUISE CONTROL),NO.1
W(ABS),NO.1
W(ABS),NO.2
W(CRUISE CONTROL),NO.2
16533SUPPORT, RADIATOR, UPPER
PUERTORICO SPEC
16535SUPPORT, RADIATOR, LOWER
PUERTORICO SPEC
16571ACLAMP OR CLIP, HOSE(FOR RADIATOR INLET)
16572HOSE, RADIATOR, OUTLET
16572ACLAMP OR CLIP, HOSE(FOR RADIATOR OUTLET NO.1)
16701SHROUD SUB-ASSY, FAN
9009900183
main90099-00183
9009905164
main90099-05164
9011608239
main90116-08239
9011906334
main90119-06334
9011908053
main90119-08053
9011908708
main90119-08708
9011908813
main90119-08813
9017906106
main90179-06106
9017906146
main90179-06146
9017908054
main90179-08054
9046712059
main90467-12059
9046912001
main90469-12001
9161160835
main91611-60835
9165160612
main91651-60612
9165160816
main91651-60816
91656A0616
main91656-A0616
9212260616
main92122-60616
9212260640
main92122-60640
9212260835
main92122-60835
49 parts on this diagram · 2 diagrams in section