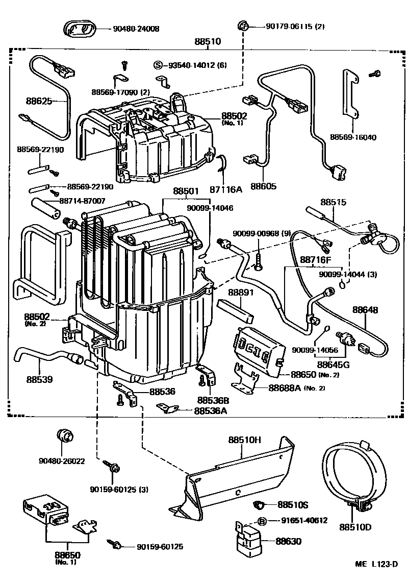
HEATING & AIR CONDITIONING - COOLER UNIT

87116ASPRING, HOLDING (FOR COOLER UNIT CASE)
88501EVAPORATOR SUB-ASSY, COOLER, NO.1
88502CASE SUB-ASSY, COOLING UNIT
NO.1
NO.2
88510UNIT ASSY, COOLER
W(PS)
W(POWER STEERING)
W(PS)
W(POWER STEERING)
W(ANTI-THEFT DEVICE & POWER STEERING)
W(ANTI-THEFT DEVICE & POWER STEERING)
W(ANTI-THEFT DEVICE & POWER STEERING)
W(ANTI-THEFT DEVICE & POWER STEERING)
W(POWER STEERING)
88510DCLAMP, COOLER UNIT
88510HPLATE, COOLER UNIT, NO.1
NEW BLACK,TRIM2#
BLUE,TRIM8#
BLUE,BLUE,TRIM8#
BROWN,TRIM4#
BROWN,BROWN,TRIM4#
88510SCLIP (FOR COOLER UNIT COVER)
NEW BLACK,TRIM2#
BROWN,TRIM4#
88515VALVE, COOLER EXPANSION
88536BRACKET, COOLING UNIT, NO.1
88536ABRACKET, COOLING UNIT, NO.2
88536BBRACKET, COOLING UNIT, NO.3
88539HOSE, COOLER UNIT DRAIN, NO.1
88605HARNESS SUB-ASSY, COOLER WIRING, NO.1
W(POWER STEERING)
W(POWER STEERING)
W(POWER STEERING)
88625THERMISTOR, COOLER, NO.1
88630RELAY ASSY, COOLER
88645GSWITCH, PRESSURE
88648WIRING, COOLER, NO.1
88650AMPLIFIER ASSY, COOLER STABILIZER
NO.1
NO.1
NO.2,W(POWER STEERING)
NO.2
88688ABRACKET, COOLER STABILIZER AMPLIFIER
NO.2
NO.1
NO.2
NO.2,W(POWER STEERING)
88716FPIPE, COOLER REFRIGERANT LIQUID, F
88891PACKING (FOR COOLER)
8856916040CLAMP (FOR COOLER RELAY)
main88569-16040
8856917090CLAMP (FOR COOLER RELAY)
main88569-17090
8856922190CLAMP (FOR COOLER RELAY)
main88569-22190
8871487007HOSE, COOLER REFRIGERANT LIQUID, NO.1
main88714-87007
9009900968
main90099-00968
9009914044
main90099-14044
9009914046
main90099-14046
9009914056
main90099-14056
9015960125
9017906115
9048024008
main90480-24008
9048026022
9165140612
9354014012
35 parts on this diagram · 2 diagrams in section