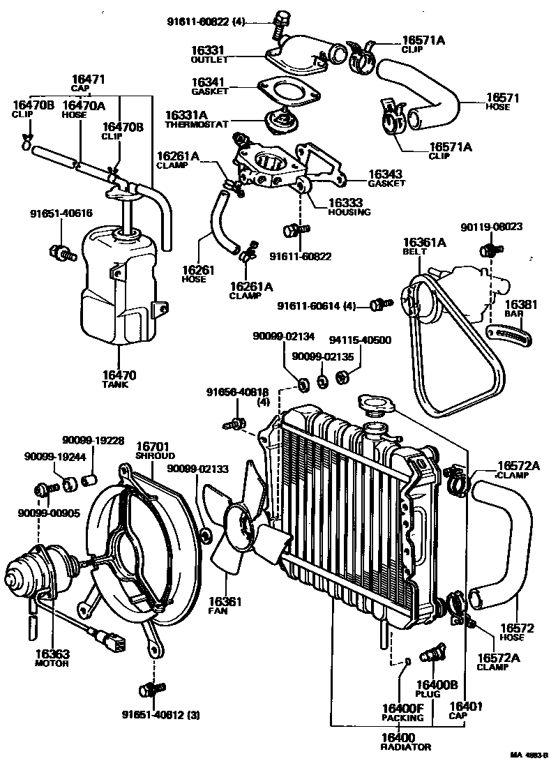
RADIATOR & WATER OUTLET

16261HOSE, WATER BY-PASS
16331ATHERMOSTAT
16333HOUSING, WATER OUTLET
16341GASKET, WATER OUTLET
sub16341-13040
16361FAN
4 BLADES
16361ABELT, V(FOR FAN & ALTERNATOR)
L=870
L=885
16381BAR, FAN BELT ADJUSTING
16400BPLUG, RADIATOR DRAIN COCK
16401CAP SUB-ASSY, RADIATOR
16470TANK ASSY, RADIATOR RESERVE
16470AHOSE OR PIPE(FOR RADIATOR RESERVE TANK)
sub90445-12078
16470BCLAMP OR CLIP(FOR RADIATOR RESERVE TANK HOSE)
16471CAP SUB-ASSY, RESERVE TANK
16571HOSE, RADIATOR, INLET
16572HOSE, RADIATOR, OUTLET
16572ACLAMP OR CLIP, HOSE(FOR RADIATOR OUTLET NO.1)
9009900905
main90099-00905
9009902133
main90099-02133
9009902134
main90099-02134
9009902135
main90099-02135
9009919228
main90099-19228
9009919244
main90099-19244
9011908023
main90119-08023
9161160614
main91611-60614
9161160822
main91611-60822
9165140612
main91651-40612
9165140616
main91651-40616
9165640818
main91656-40818
9411540500
main94115-40500
37 parts on this diagram · 3 diagrams in section