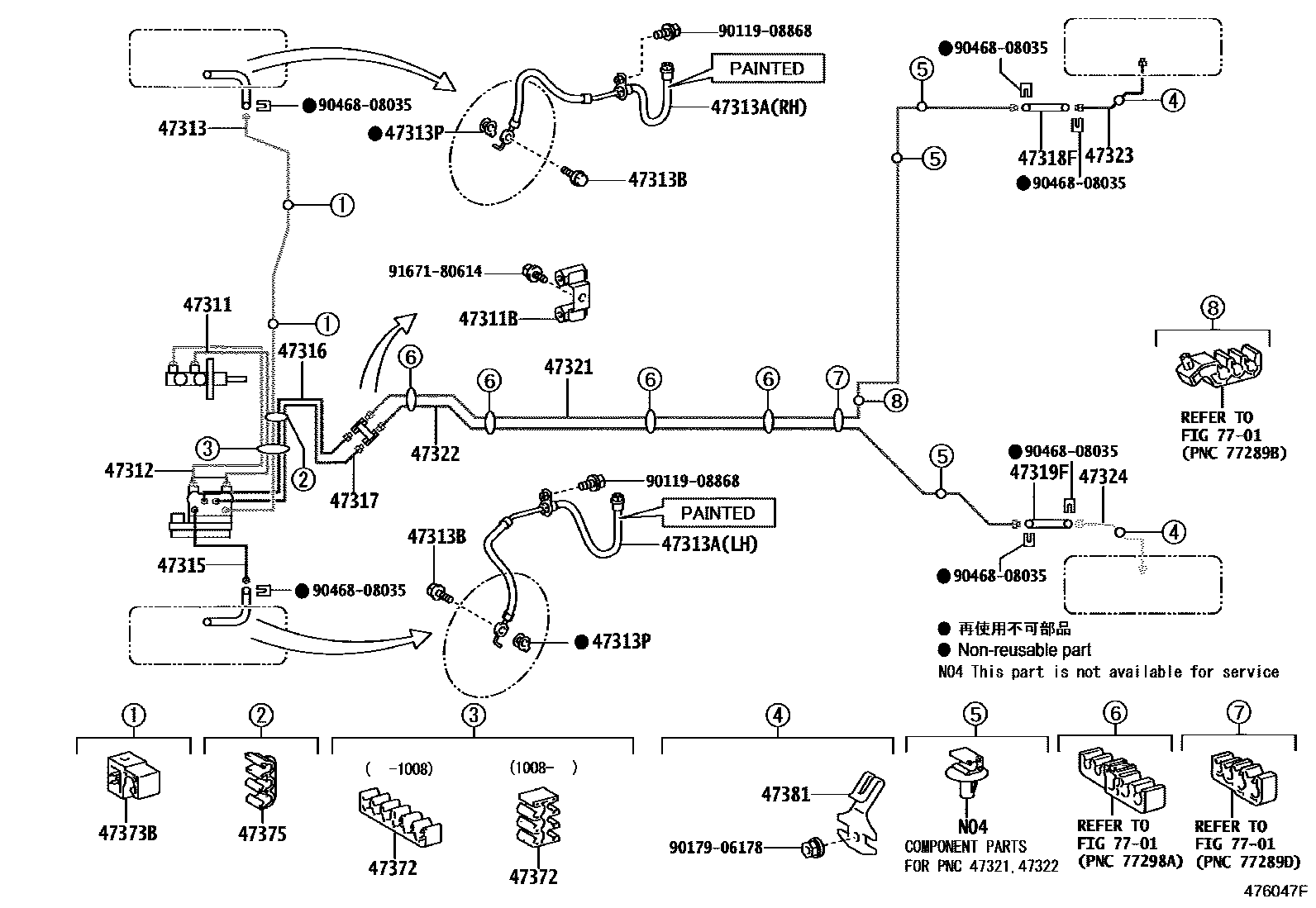
BRAKE TUBE & CLAMP

47311TUBE, FRONT BRAKE, NO.1
47311BWAY, NO.1(FOR FRONT BRAKE TUBE)
47312TUBE, FRONT BRAKE, NO.2
47313AHOSE, FLEXIBLE, NO.1(FOR FRONT)
RH,PAINTED=GREEN
LH,PAINTED=PINK
RH,PAINTED=YELLOW
LH,PAINT=LIGHT BLUE
47313BBOLT, UNION(FOR FRONT FLEXIBLE HOSE)
47313PGASKET(FOR FRONT FLEXIBLE HOSE)
47315TUBE, FRONT BRAKE, NO.5
47318FHOSE, FLEXIBLE(FOR REAR RH)
47319FHOSE, FLEXIBLE(FOR REAR LH)
47321TUBE, REAR BRAKE, NO.1
47322TUBE, REAR BRAKE, NO.2
47323TUBE, REAR BRAKE, NO.3
47324TUBE, REAR BRAKE, NO.4
47372CLAMP, BRAKE TUBE, NO.2
47373BCLAMP, BRAKE TUBE, NO.3
47375CLAMP, BRAKE TUBE, NO.5
47381BRACKET, BRAKE TUBE CLAMP NO.1
7701
9011908868
9017906178
9046808035
9167180614
25 parts on this diagram · 4 diagrams in section