ELECTRONIC FUEL INJECTION SYSTEM

8401
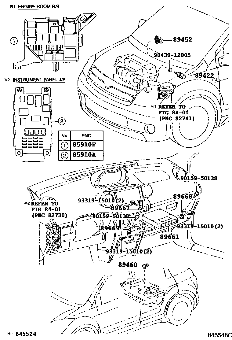
85910ARELAY ASSY, CIRCUIT OPENING (FOR EFI)
85910FRELAY, COMPUTER (FOR EFI)
89422SENSOR, WATER TEMPERATURE (FOR E.F.I.)
MARK 89422-16010*369
MARK 89422-22030*369
89452SENSOR, THROTTLE POSITION (FOR E.F.I.)
89460SENSOR ASSY, VAPOR PRESSURE
89667BRACKET, ENGINE CONTROL COMPUTER
89668BRACKET, ENGINE CONTROL COMPUTER, NO.2
89669BRACKET, ENGINE CONTROL COMPUTER, NO.3
9015950138
main90159-50138
9043012005
main90430-12005
9331915010
main93319-15010
13 parts on this diagram · 2 diagrams in section