E
EPC Data

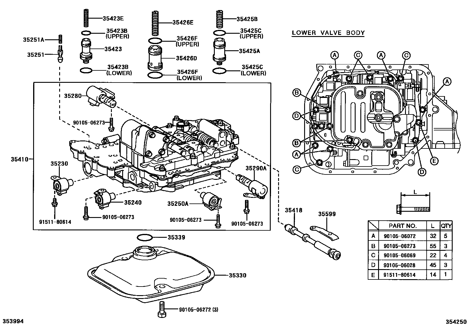
VALVE BODY & OIL STRAINER (ATM)

Parts diagram
35230SOLENOID ASSY, TRANSMISSION 3WAY, NO.2
main35230-52011i200304-200508
main35230-52020i200508
35240SOLENOID ASSY, AUTOMATIC TRANSMISSION 3WAY
main35240-52011i200304-200508
main35240-52050i200508
35250ASOLENOID ASSY, TRANSMISSION, NO.3
main35250-52010i200304-200508
main35250-52080i200508
35251BODY, CHECK BALL
main35251-30020i200304-200507
35251ASPRING, COMPRESSION (FOR CHECK BALL BODY)
main90501-03005i200304-200507
35280SOLENOID ASSY, LOCK UP CONTROL
main35270-52011i200304-200507
35290ASOLENOID ASSY, LINE PRESSURE CONTROL
main35290-52030i200304-200507
35330STRAINER ASSY, VALVE BODY OIL
main35330-0W020i200502-200507
main35330-20020i200304-200502
35339GASKET, OIL STRAINER
main90301-32010i200304-200507
35410BODY ASSY, TRANSMISSION VALVE
main35410-52053i200304-200508
main35410-52180i200508-200511
main35410-52181i200511
35418VALVE, MANUAL
main35418-52020i200304-200507
35423PISTON, B-2 ACCUMULATOR
main35403-52020i200304-200507
35423BRING, O (FOR B-2 ACCUMULATOR PISTON)
main90301-20010i200304-200507
LOWER
main90301-29011i200304-200507
UPPER
35423ESPRING, COMPRESSION (FOR B-2 ACCMULATOR PISTON)
main90501-20158i200304-200507
35425APISTON, C-2 ACCUMULATOR
main35405-52020i200304-200507
35425BSPRING, COMPRESSION (FOR C-2 ACCUMULATOR PISTON)
main90501-24036i200304-200507
35425CRING, O (FOR C-2 ACCUMULATOR PISTON)
main90301-22010i200304-200507
LOWER
main90301-35004i200304-200507
UPPER
35426DPISTON, C-3 ACCUMULATOR
main35426-52020i200304-200507
35426ESPRING, COMPRESSION (FOR C-3 ACCUMULATOR PISTON)
main90501-25057i200304-200507
35426FRING, O (FOR C-3 ACCUMULATOR PISTON)
main90301-24016i200304-200507
LOWER
main90301-29011i200304-200507
UPPER
35599COVER, MANUAL DETENT SPRING
main35599-52010i200304-200507
9010506028
9010506069
9010506072
9010506272
9010506273
9151180614

27 parts on this diagram · 2 diagrams in section

VALVE BODY & OIL STRAINER (ATM) — Toyota Parts Diagram with OEM Numbers & Prices | EPC Data