E
EPC Data

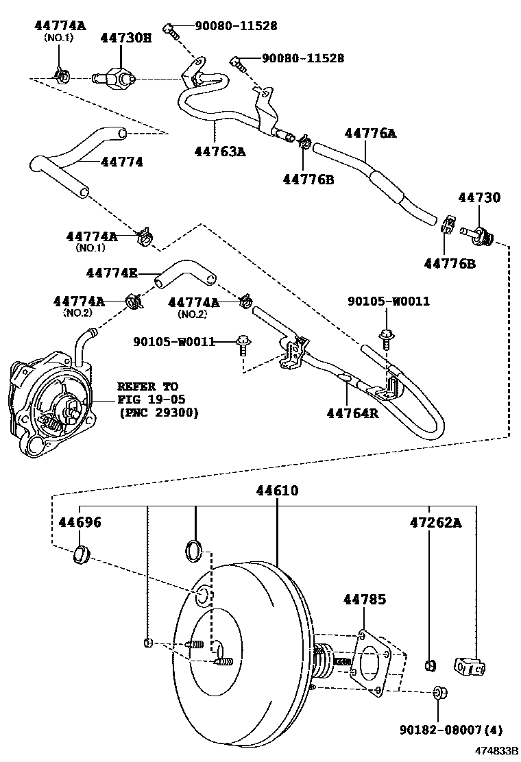
BRAKE BOOSTER & VACUUM TUBE

Parts diagram
1905
44610BOOSTER ASSY, BRAKE
main44610-09220i200511-200811
main44610-09220i200811-201107
ENGINE-WITHOUT(STOP & START SYSTEM)
main44610-09240i200511-201107
main44610-09260i200511-201107
main44610-09270i200511-201107
main44610-09540i200811-201107
main44610-09560i200811-201107
44696GROMMET, CHECK VALVE
main44692-0D020i200511-200811
44730VALVE ASSY, VACUUM CHECK(FOR BRAKE)
main44730-0D010i200511-200811
44730HVALVE ASSY, VACUUM CHECK(FOR VACUUM RESERVOIR)
main44730-12080i200511-200811
44763ATUBE, HOSE TO HOSE, NO.1
main44763-0D050i200511-200811
main44763-0D060i200511-200811
main44763-0D070i200511-200811
main44763-52060i200511-200811
main44763-52070i200511-200811
main44763-52090i200811
main44763-52100i200811
main44763-52110i200811
main44763-52120i200811
44764RTUBE, CONNECTOR TO VACUUM RESERVOIR
main44764-12010i200511-200811
44774HOSE, UNION TO CONNECTOR TUBE
main44774-52080i200511-200811
main44774-52090i200511-200811
main44774-52100i200511-200811
main44774-52110i200811
main44774-52120i200811
main44774-52130i200811
main44774-52140i200811
44774ACLIP(FOR UNION TO CONNECTOR TUBE HOSE)
main90466-W0008i200511-200811
main90467-16014i200511-200811
NO.1
main90467-16014i200811
main96133-41500i200511-200811
NO.2
44774EHOSE, UNION TO CONNECTOR TUBE
main44774-52021i200511-200811
44776HOSE, BRAKE BOOSTER
main44776-52120i200811
main44776-52130i200811
44776AHOSE, VACUUM RESERVOIR TO BRAKE BOOSTER
main44776-52080i200511-200811
main44776-52090i200511-200811
44776BCLIP(FOR VACUUM RESERVOIR TO BRAKE BOOSTER)
main90467-16014i200511-200811
44785GASKET, BRAKE BOOSTER
main44785-16020i200511-200811
47262ANUT, MASTER CYLINDER PUSH ROD CLEVIS LOCK
main47262-05010i200511-200811
9008011528
90105W0011
9018208007

18 parts on this diagram · 12 diagrams in section

BRAKE BOOSTER & VACUUM TUBE — Toyota Parts Diagram with OEM Numbers & Prices | EPC Data