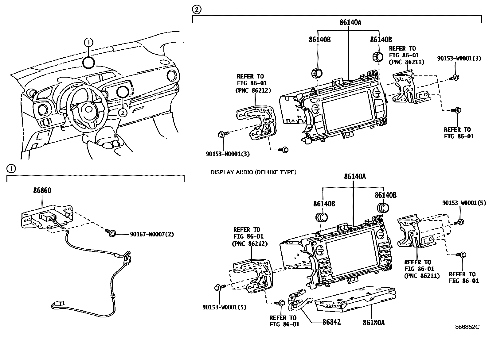
NAVIGATION & FRONT MONITOR DISPLAY

8601
86140ARECEIVER ASSY, RADIO & DISPLAY
PANASONIC
86140BKNOB, RADIO & DISPLAY RECEIVER SWITCH
86180ATUNER ASSY, STEREO COMPONENT
86842WIRE, NAVIGATION, NO.1
main86842-35010
86860ANTENNA ASSY, NAVIGATION
main86860-0D020
90153W0001
main90153-W0001
90167W0007
main90167-W0007
8 parts on this diagram · 1 diagram in section