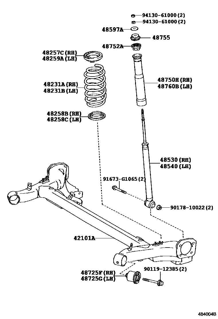
REAR SPRING & SHOCK ABSORBER

42101ABEAM SUB-ASSY, REAR AXLE
S PACKAGE&TIRE & DISC WHEEL-P195/50R16 ALL SEASON TIRE 6J ALUMINUM
48231ASPRING, COIL, REAR RH
48231BSPRING, COIL, REAR LH
48257CINSULATOR, REAR COIL SPRING, UPPER RH
48258BINSULATOR, REAR COIL SPRING, LOWER RH
48258CINSULATOR, REAR COIL SPRING, LOWER LH
48259AINSULATOR, REAR COIL SPRING, UPPER LH
48530ABSORBER ASSY, SHOCK, REAR RH
MARK 48530-52J20
MARK 48530-52J20,TIRE & DISC WHEEL-P195/50R16 ALL SEASON TIRE 6J ALUMINUM
48540ABSORBER ASSY, SHOCK, REAR LH
MARK 48530-52J20
MARK 48530-52J20,TIRE & DISC WHEEL-P195/50R16 ALL SEASON TIRE 6J ALUMINUM
48597ARETAINER, REAR SHOCK ABSORBER CUSHION
48725FBUSH, REAR AXLE CARRIER, RH
S PACKAGE&TIRE & DISC WHEEL-P195/50R16 ALL SEASON TIRE 6J ALUMINUM
48725GBUSH, REAR AXLE CARRIER, LH
S PACKAGE&TIRE & DISC WHEEL-P195/50R16 ALL SEASON TIRE 6J ALUMINUM
48750HSUPPORT ASSY, REAR SUSPENSION, RH
48752ASTOPPER, REAR SUSPENSION SUPPORT
48755SUPPORT, REAR SUSPENSION
48760BSUPPORT ASSY REAR SUSPENSION, LH
9011912385
main90119-12385
9017810022
main90178-10022
91673G1065
main91673-G1065
9413061000
main94130-61000
20 parts on this diagram · 2 diagrams in section