BRAKE TUBE & CLAMP

4702
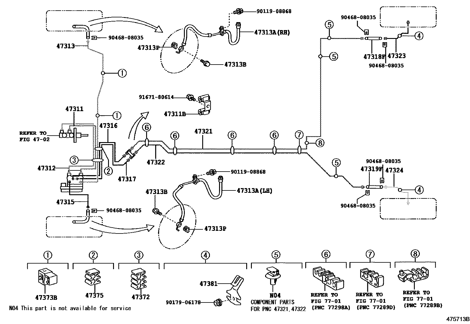
47311TUBE, FRONT BRAKE, NO.1
ABS (ANTI-LOCK BRK SYSTM)-WITH(W/O BRAKE ASSIST)
ABS-WITH(W/O BRAKE ASSIST)
ABS (ANTI-LOCK BRK SYSTM)-WITHOUT
ABS-WITHOUT
ABS(ANTI-LOCK BRK SYSTM)-WITH(PUMP UP BRAKE ASSIST)&VSC-WITH
47311BWAY, NO.1(FOR FRONT BRAKE TUBE)
47312TUBE, FRONT BRAKE, NO.2
ABS (ANTI-LOCK BRK SYSTM)-WITH(W/O BRAKE ASSIST)
ABS-WITH(W/O BRAKE ASSIST)
ABS-WITHOUT
ABS (ANTI-LOCK BRK SYSTM)-WITHOUT
ABS(ANTI-LOCK BRK SYSTM)-WITH(PUMP UP BRAKE ASSIST)&VSC-WITH
47313TUBE, FRONT BRAKE, NO.3
ABS-WITH(W/O BRAKE ASSIST)
ABS (ANTI-LOCK BRK SYSTM)-WITH(W/O BRAKE ASSIST)
ABS-WITHOUT
ABS (ANTI-LOCK BRK SYSTM)-WITHOUT
47313AHOSE, FLEXIBLE, NO.1(FOR FRONT)
RH
LH
47313BBOLT, UNION(FOR FRONT FLEXIBLE HOSE)
47313PGASKET(FOR FRONT FLEXIBLE HOSE)
47315TUBE, FRONT BRAKE, NO.5
ABS-WITH(W/O BRAKE ASSIST)
ABS (ANTI-LOCK BRK SYSTM)-WITH(W/O BRAKE ASSIST)
ABS (ANTI-LOCK BRK SYSTM)-WITHOUT
ABS-WITHOUT
47316TUBE, FRONT BRAKE, NO.6
ABS-WITH(W/O BRAKE ASSIST)
ABS (ANTI-LOCK BRK SYSTM)-WITH(W/O BRAKE ASSIST)
ABS (ANTI-LOCK BRK SYSTM)-WITHOUT
ABS-WITHOUT
47317TUBE, FRONT BRAKE, NO.7
ABS-WITH(W/O BRAKE ASSIST)
ABS (ANTI-LOCK BRK SYSTM)-WITH(W/O BRAKE ASSIST)
ABS-WITHOUT
ABS (ANTI-LOCK BRK SYSTM)-WITHOUT
sub47317-52260
ABS(ANTI-LOCK BRK SYSTM)-WITH(PUMP UP BRAKE ASSIST)&VSC-WITH
47318FHOSE, FLEXIBLE(FOR REAR RH)
47319FHOSE, FLEXIBLE(FOR REAR LH)
47321TUBE, REAR BRAKE, NO.1
47322TUBE, REAR BRAKE, NO.2
47323TUBE, REAR BRAKE, NO.3
47324TUBE, REAR BRAKE, NO.4
47372CLAMP, BRAKE TUBE, NO.2
ABS(ANTI-LOCK BRK SYSTM)-WITH(PUMP UP BRAKE ASSIST)&VSC-WITH
ABS-WITH(W/O BRAKE ASSIST)
ABS (ANTI-LOCK BRK SYSTM)-WITH(W/O BRAKE ASSIST)
47373BCLAMP, BRAKE TUBE, NO.3
ABS-WITH(W/O BRAKE ASSIST)
ABS (ANTI-LOCK BRK SYSTM)-WITH(W/O BRAKE ASSIST)
47375CLAMP, BRAKE TUBE, NO.5
ABS-WITH(W/O BRAKE ASSIST)
ABS-WITHOUT
ABS (ANTI-LOCK BRK SYSTM)-WITH(W/O BRAKE ASSIST)
ABS (ANTI-LOCK BRK SYSTM)-WITHOUT
47381BRACKET, BRAKE TUBE CLAMP NO.1
7701
9011908868
9017906178
9046808035
9167180614
26 parts on this diagram · 6 diagrams in section