E
EPC Data

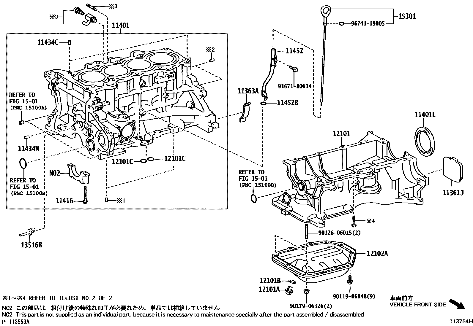
CYLINDER BLOCK

Parts diagram
11361JCOVER, FLYWHEEL HOUSING UNDER
main11361-21011i¥490200508-201107
11363ACOVER, FLYWHEEL HOUSING SIDE
main11363-21010i¥350200508-201107
11401BLOCK SUB-ASSY, CYLINDER
main11401-29855i¥182,000200508-200812
sub11401-29856¥182,000
main11401-29856i¥182,000200812-201107
sub11401-29857¥182,000
11401LSEAL, ENGINE REAR OIL
main90311-75016i¥1,390200508-201107
sub90311-75019¥1,390
11416BOLT(FOR CRANKSHAFT BEARING CAP SET)
main90910-02125i¥220200508-201107
sub90910-02207¥160
11434CPIN, STRAIGHT (FOR CYLINDER HEAD SET)
main90250-08120i¥140200508-201107
L=18,OD=8
11434MPIN, STRAIGHT(FOR CHAIN TENSIONER)
main90250-10030i¥160200508-201107
11452GUIDE, OIL LEVEL GAGE
main11452-21030i¥1,300200508-201107
11452BRING, O(FOR OIL LEVEL GAGE GUIDE)
main96721-19010i¥190200508-201107
12101PAN SUB-ASSY, OIL
main12111-21033i¥42,200200508-201107
12101APLUG(FOR OIL PAN DRAIN)
main90341-12012i¥160200508-201107
12101BGASKET(FOR OIL PAN DRAIN PLUG)
main90430-12031i¥90200508-201107
12101CRING, O(FOR OIL PAN)
main96722-24020i¥140200508-201107
12102APAN SUB-ASSY, OIL, NO.2
main12102-21010i¥3,780200508-201107
13516BJET, OIL
main13516-21010i¥590200508-201107
sub13516-21011¥360
1501
15301GAGE SUB-ASSY, OIL LEVEL
main15301-21030i¥1,200200508-200709
sub15301-21040¥1,200
main15301-21040i¥1,200200709-201107
sub15301-21060¥1,000
9011906848
main90119-06848¥60
9012606015
main90126-06015¥110
9017906326
main90179-06326¥60
9167180614
main91671-80614¥60
9674119005
main96741-19005¥140

22 parts on this diagram · 2 diagrams in section

CYLINDER BLOCK — Toyota Parts Diagram with OEM Numbers & Prices | EPC Data