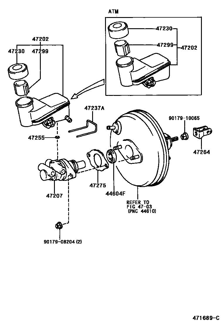
BRAKE MASTER CYLINDER

44604FSEAL, BRAKE BOOSTER BODY
4703
47202RESERVOIR SUB-ASSY, BRAKE MASTER CYLINDER
47207CYLINDER SUB-ASSY, BRAKE MASTER LESS RESERVOIR TANK
W(ABS)
W(ABS)
47230CAP ASSY, BRAKE MASTER CYLINDER RESERVOIR FILLER
sub47230-33071
47237ASTOPPER, BREKE MASTER CYLINDER RESERVOIR TANK
47255GROMMET, MASTER CYLINDER RESERVOIR
47264CLEVIS, MASTER CYLINDER PUSH ROD
47275GASKET, BRAKE MASTER CYLINDER
47299STRAINER, BRAKE MASTER CYLINDER RESERVOIR
9017908204
main90179-08204
9017910065
main90179-10065
12 parts on this diagram · 2 diagrams in section