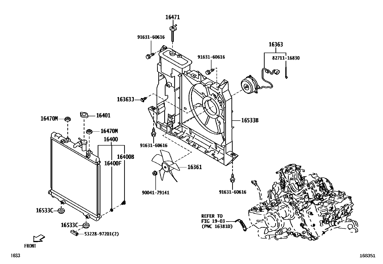
RADIATOR & WATER OUTLET

16361FAN
16363JBOLT(FOR COOLING FAN MOTOR)
16400RADIATOR ASSY
16400BPLUG, RADIATOR DRAIN COCK
16400FPACKING(FOR RADIATOR DRAIN COCK)
16401CAP SUB-ASSY, RADIATOR
16470MGROMMET
16471CAP SUB-ASSY, RESERVE TANK
16533BSUPPORT, RADIATOR, NO.1
16533CGROMMET(FOR RADIATOR SUPPORT)
1903
5322897201RETAINER, RADIATOR SUPPORT UPPER BRACKET
main53228-97201
8271116830WIRE, FUSE TO FUSE(FOR COMBUSTION HEATER)
main82711-16830
9004179141
main90041-79141
9163160616
main91631-60616
16 parts on this diagram · 8 diagrams in section