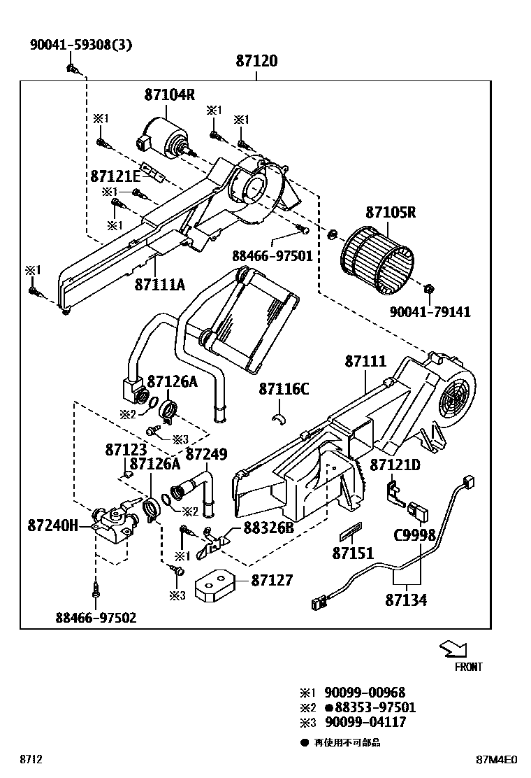
HEATING & AIR CONDITIONING - HEATER UNIT & BLOWER

87104RMOTOR SUB-ASSY, REAR HEATER BLOWER
87105RFAN SUB-ASSY, REAR HEATER BLOWER
87116CSPRING, HOLDING (FOR HEATER BLOWER)
87127PACKING, HEATER AIR DAMPER
87240HVALVE ASSY, WATER UNIT
8835397501SEAL, COMPRESSOR TIP, NO.1
main88353-97501
8846697501
main88466-97501
8846697502
main88466-97502
9004159308
main90041-59308
9004179141
main90041-79141
9009900968
main90099-00968
9009904117
main90099-04117
24 parts on this diagram · 1 diagram in section