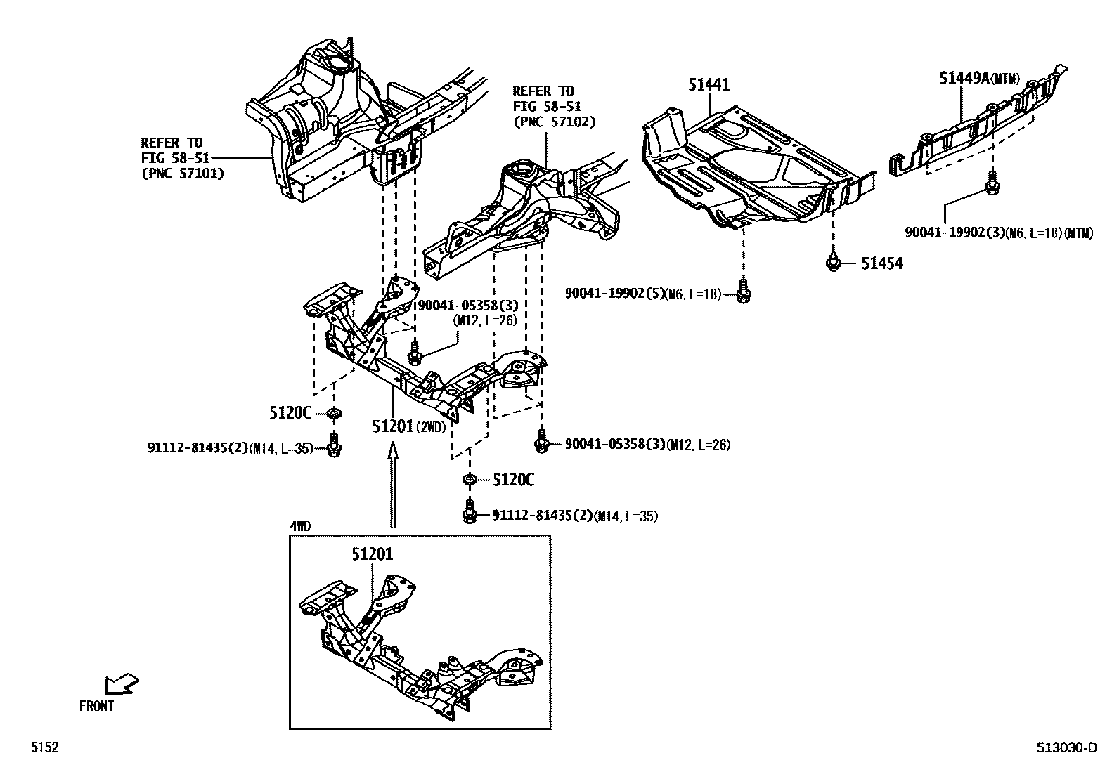
SUSPENSION CROSSMEMBER & UNDER COVER

51441COVER, ENGINE UNDER, NO.1
51449ACOVER, ENGINE SIDE UNDER, LH
5851
9004105358
main90041-05358
9004119902
main90041-19902
9111281435
main91112-81435
9 parts on this diagram · 1 diagram in section

9 parts on this diagram · 1 diagram in section