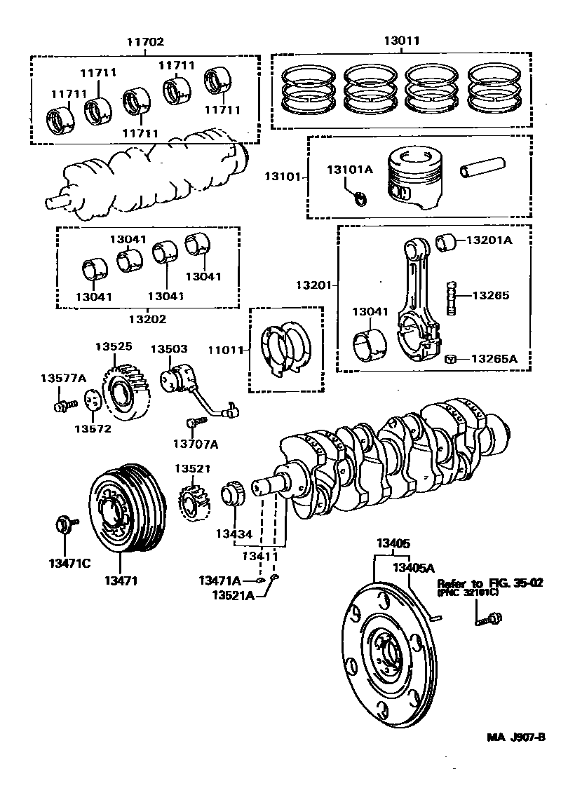
CRANKSHAFT & PISTON

11702BEARING SET, CRANKSHAFT
sub11704-56031
sub11704-56032
sub11704-58010
sub11705-56031
sub11705-56032
sub11705-58010
sub11707-56031
sub11707-56032
sub11707-58010
11711BEARING, CRANKSHAFT
MARK 1
MARK 2
13011RING SET, PISTON
13041BEARING, CONNECTING ROD
MARK 1
MARK 2
13101PISTON SUB-ASSY, W/PIN
sub13101-58101
sub13101-58101
sub13101-58101
sub13103-58101
sub13104-58101
sub13105-58101
13101ARING, HOLE SNAP(FOR PISTON PIN)
13201ABUSH(FOR CONNECTING ROD SMALL END)
13202BEARING SET, CONNECTING ROD
sub13204-58031
sub13204-58032
sub13204-58050
sub13205-58031
sub13205-58032
sub13205-58050
sub13207-58031
sub13207-58032
sub13207-58050
13265BOLT, CONNECTING ROD
13265ANUT, HEXAGON(FOR CONNECTING ROD BOLT)
13405APIN, STRAIGHT(FOR FLYWHEEL)
13411CRANKSHAFT
13434SPLINE, OIL PUMP DRIVE
13471AKEY, CRANKSHAFT(FOR CRANKSHAFT PULLEY SET)
13471CBOLT(FOR CRANKSHAFT PULLEY SET)
13503SHAFT SUB-ASSY, IDLE GEAR
13521GEAR OR SPROCKET, CRANKSHAFT TIMING
13521AKEY(FOR CRANKSHAFT TIMING GEAR)
13572PLATE, IDLE GEAR THRUST
13577ABOLT, HEXAGON(FOR IDLE GEAR BOLT LOCK)
13707AUNION(FOR OIL PIPE, NO.1)
3502
27 parts on this diagram · 2 diagrams in section