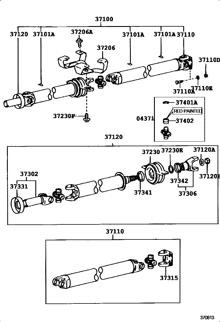
PROPELLER SHAFT & UNIVERSAL JOINT

04371SPIDER KIT, UNIVERSAL JOINT(FOR PROPELLER SHAFT)
RED PAINTED
37101APIECE, BALANCE, NO.1 (FOR PROPELLER SHAFT)
37110SHAFT ASSY, PROPELLER
37110ABOLT (FOR PROPELLER SHAFT)
37110DNUT (FOR PROPELLER SHAFT)
37110EWASHER (FOR PROPELLER SHAFT)
37120AWASHER, PLATE (FOR PROPELLER INTERMEDIATE SHAFT SET)
37120BNUT (FOR PROPELLER INTERMEDIATE SHAFT SETTING)
37206BRACKET SUB-ASSY, CENTER SUPPORT BEARING
37206ABOLT, CENTER SUPPORT BEARING BRACKET
37230EWASHER, NO.1 (FOR CENTER SUPPORT BEARING)
37230FBOLT, NO.1 (FOR CENTER SUPPORT BEARING)
37302YOKE SUB-ASSY, UNIVERSAL JOINT SLEEVE
37306YOKE SUB-ASSY, UNIVERSAL JOINT, CENTER
37315YOKE, UNIVERSAL JOINT FLANGE
37331COVER, SLIDING SHAFT DUST
37341DEFLECTOR, PROPELLER SHAFT DUST, NO.1
37342DEFLECTOR, PROPELLER SHAFT DUST, NO.2
37401ARING, HOLE SNAP (FOR SPIDER BEARING)
37402BEARING SUB-ASSY, UNIVERSAL JOINT SPIDER
RED PAINTED
23 parts on this diagram · 1 diagram in section