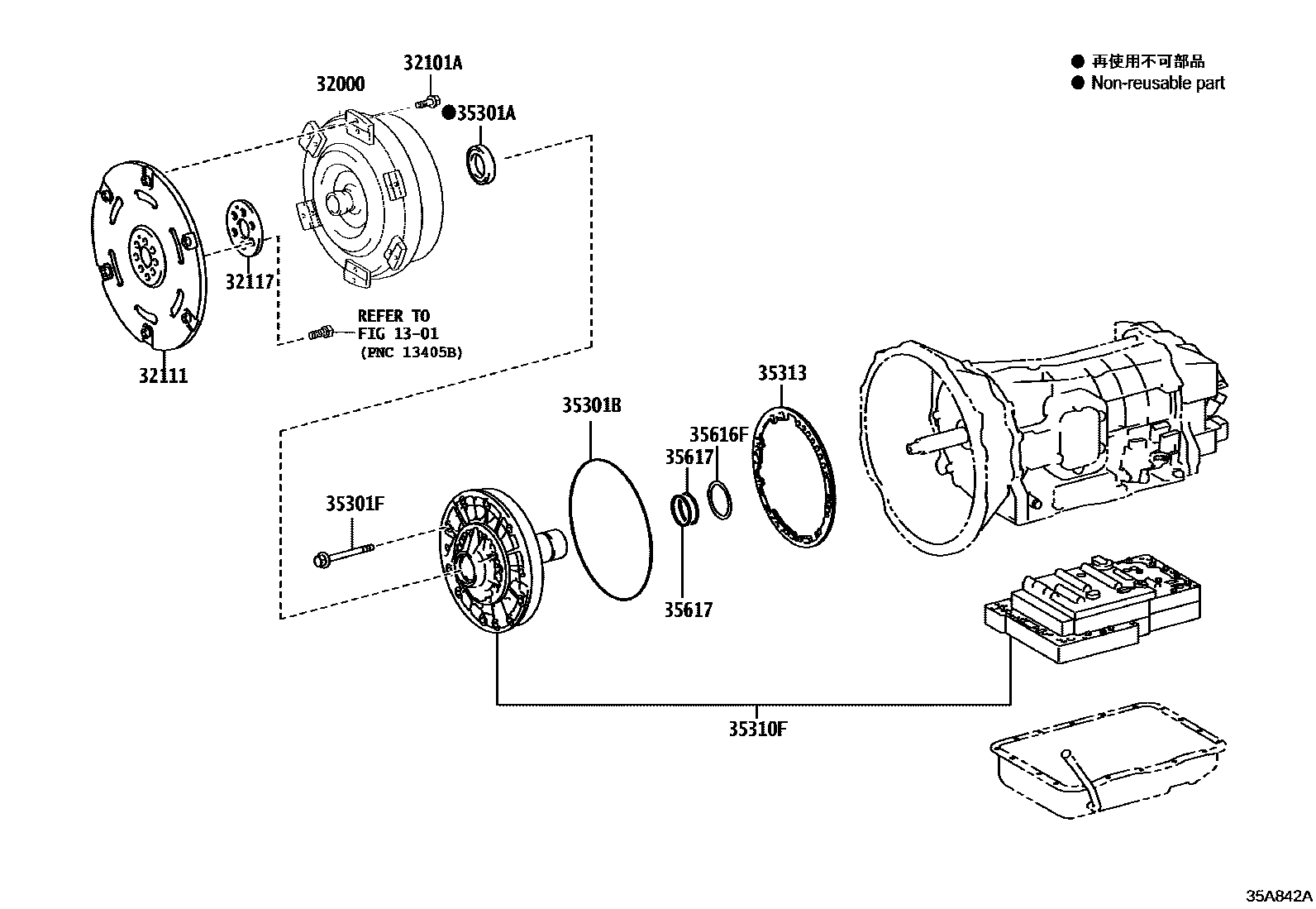
TORQUE CONVERTER, FRONT OIL PUMP & CHAIN (ATM)
32000CONVERTER ASSY, TORQUE
main32000-37060iXZB60..09S;XZB70,80..(13S,24S)..HDCR;XZB70..(21S,29S,49S)..6FC202201-202312 32101ABOLT(FOR DRIVE PLATE & TORQUE CONVERTER SETTING)
main90119-10894×6iXZB60..09S;XZB70,80..(13S,24S)..HDCR;XZB70..(21S,29S,49S)..6FC202201-202312 32111PLATE, PUMP IMPELLER DRIVE
main32111-37050iXZB60..09S;XZB70,80..(13S,24S)..HDCR;XZB70..(21S,29S,49S)..6FC201701-202201 32117SPACER, DRIVE PLATE, REAR
main32117-37050iXZB60..09S;XZB70,80..(13S,24S)..HDCR;XZB70..(21S,29S,49S)..6FC201701-202201 35301ASEAL, OIL (FOR FRONT OIL PUMP)
35301BRING, O (FOR FRONT OIL PUMP BODY)
main90301-99234iXZB60..09S;XZB70,80..(13S,24S)..HDCR;XZB70..(21S,29S,49S)..6FC202201-202312 35301FBOLT (FOR FRONT OIL PUMP SETTING)
main90105-08501iXZB60..09S;XZB70,80..(13S,24S)..HDCR;XZB70..(21S,29S,49S)..6FC202201-202312 main90105-08502×10iXZB60..09S;XZB70,80..(13S,24S)..HDCR;XZB70..(21S,29S,49S)..6FC202201-202312 35310FPUMP ASSY, FRONT OIL
main35310-36020iXZB70..(09S,24S)..6FC..DCR;XZB60,80..(13S,25S,39S)..6FC..DCR201701 35313GASKET, FRONT OIL PUMP COVER
main35313-36020iXZB60..09S;XZB70,80..(13S,24S)..HDCR;XZB70..(21S,29S,49S)..6FC201701-202201 35616FWASHER, CLUTCH DRUM THRUST
main35616-37010iXZB60..09S;XZB70,80..(13S,24S)..HDCR;XZB70..(21S,29S,49S)..6FC201701-202201 35617RING, CLUTCH DRUM OIL SEAL
main35617-37010×2iXZB60..09S;XZB70,80..(13S,24S)..HDCR;XZB70..(21S,29S,49S)..6FC201701-202201 12 parts on this diagram · 2 diagrams in section
TORQUE CONVERTER, FRONT OIL PUMP & CHAIN (ATM) — Toyota Parts Diagram with OEM Numbers & Prices | EPC Data