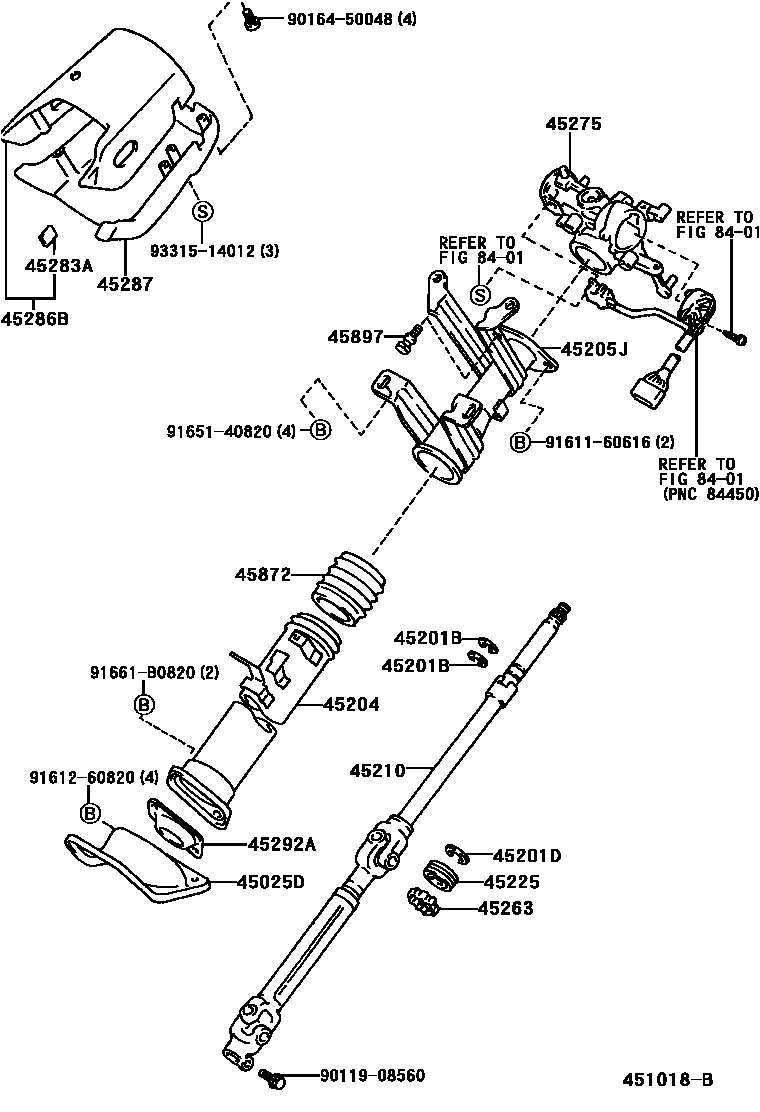
STEERING COLUMN & SHAFT

45025DCOVER SUB-ASSY, STEERING COLUMN HOLE, NO.1
45201BRING, SHAFT SNAP(FOR STEERING MAIN SHAFT)
45201DRING(FOR STEERING MAIN SHAFT)
45204TUBE ASSY, STEERING COLUMN, LOWER
45205JTUBE SUB-ASSY, STEERING COLUMN, UPPER
45210SHAFT ASSY, STEERING MAIN
45225BLOCK, BEARING
45263RING, STEERING COLUMN, NO.1
45275BRACKET, STEERING COLUMN, UPPER
45283APLATE, BEAM CHANGE & TURN SIGNAL CAUTION
45286BCOVER, STEERING COLUMN, UPR
GRAIGE,TRIM4#
DK.CHARCOAL,TRIM1#
GREIGE,TRIM4#
45287COVER, STEERING COLUMN, LWR
DK.CHARCOAL,TRIM1#
45292ACOVER, MAIN SHAFT LOWER DUST
45872COVER, STEERING COLUMN TUBE
45897BOLT, STEERING LOCK SET
8401
9011908560
main90119-08560
9016450048
main90164-50048
9161160616
main91611-60616
9161260820
main91612-60820
9165140820
main91651-40820
91661B0820
main91661-B0820
9331514012
main93315-14012
23 parts on this diagram · 3 diagrams in section